基本参数

| 名称 | 【主轴承盖】康明斯CUMMINS柴油机的3092782 主轴承盖 |
| 相关机型 | QST30 |
| 品质 | OEM/aftermarket |
| ID号 | 27H-09V-951 |
| 价格 | 授权可见 点击询价 |
| 主要用途 | 康明斯柴油机用的主轴承盖[详细说明>>] |
详细说明
打印本页
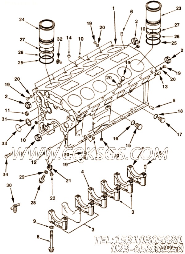
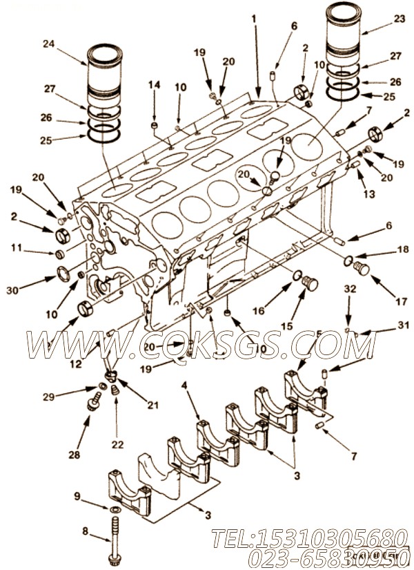
【主轴承盖】康明斯CUMMINS柴油机的3092782 主轴承盖
相关参数和图片:
| 研发时间 | 部分用途 | 产品名称 |
| 96年MAR | QST30 CM850,QST30 CM552 | Cap, Main Bearing |
| ||
| 图号 | ID号 | 零件名称 | 一般装配量 | 销售(是/否) | 订购链接 |
| 7 | 3092487 | 接脚木钉 | 6 | 是 | 订购 |
| BB5702-06 | 缸体 | 否 | |||
| 3093720 | 气缸体 | 1 | 是 | 订购 | |
| 1 | 3092780 | 气缸体 | 1 | 否 | |
| 2 | 3092488 | 衬套 | 14 | 是 | 订购 |
| 3 | 3092781 | 主轴承盖 | 5 | 是 | 订购 |
| 4 | 3092782 | 主轴承盖 | 1 | 是 | 订购 |
| 5 | 3092783 | 主轴承盖 | 1 | 是 | 订购 |
| 6 | 3093784 | 接脚木钉 | 26 | 是 | 订购 |
| 8 | 3092786 | 12 角头螺栓 | 14 | 是 | 订购 |
| 9 | 3094029 | 平垫圈 | 14 | 是 | 订购 |
| 10 | 3092553 | 膨胀塞 | 12 | 是 | 订购 |
| 11 | 3094028 | 膨胀塞 | 2 | 是 | 订购 |
| 12 | 3093970 | 接脚木钉 | 2 | 是 | 订购 |
| 13 | 3092287 | 接脚木钉 | 2 | 是 | 订购 |
| 14 | 3094064 | 膨胀塞 | 2 | 是 | 订购 |
| 3678611 | 螺塞 | 1 | 是 | 订购 | |
| 15 | 3678605 | 螺塞 | 1 | 否 | |
| 16 | 3678606 | O 形密封圈 | 1 | 是 | 订购 |
| 3678921 | 螺塞 | 3 | 是 | 订购 | |
| 17 | 3678922 | 螺塞 | 1 | 否 | |
| 18 | 3678912 | O 形密封圈 | 1 | 是 | 订购 |
| 3678923 | 螺塞 | 18 | 是 | 订购 | |
| 19 | 3678924 | 螺塞 | 1 | 否 | |
| 20 | 3678925 | O 形密封圈 | 1 | 是 | 订购 |
| 3092564 | 活塞冷却喷嘴 | 12 | 是 | 订购 | |
| 21 | 3092565 | 活塞冷却喷嘴 | 1 | 否 | |
| 22 | 3093719 | 管塞 | 1 | 是 | 订购 |
| 23 | 3092566 | 气缸缸套 | 6 | 是 | 订购 |
| 24 | 3092567 | 气缸缸套 | 6 | 是 | 订购 |
| 25 | 3092491 | O 形密封圈 | 12 | 是 | 订购 |
| 26 | 3092492 | O 形密封圈 | 12 | 是 | 订购 |
| 27 | 3092493 | 矩形密封圈 | 12 | 是 | 订购 |
| 28 | 3094526 | 12 角头螺栓 | 12 | 是 | 订购 |
| 29 | 3094024 | 平垫圈 | 12 | 是 | 订购 |
| 30 | 3094735 | 止推轴承 | 4 | 是 | 订购 |
| 3094426 | 平原适配器 | 1 | 是 | 订购 | |
| 31 | 3094425 | 平原适配器 | 1 | 是 | 订购 |
| 32 | 3678912 | O 形密封圈 | 1 | 是 | 订购 |
| 3804711 | 缸套工具包 | 是 | 订购 | ||
| 3092491 | O 形密封圈 | 1 | 是 | 订购 | |
| 3092492 | O 形密封圈 | 1 | 是 | 订购 | |
| 3092493 | 矩形密封圈 | 1 | 是 | 订购 | |
| 3092566 | 气缸缸套 | 1 | 是 | 订购 | |
| 3804712 | 缸套工具包 | 是 | 订购 | ||
| 3092491 | O 形密封圈 | 1 | 是 | 订购 | |
| 3092492 | O 形密封圈 | 1 | 是 | 订购 | |
| 3092493 | 矩形密封圈 | 1 | 是 | 订购 | |
| 3092567 | 气缸缸套 | 1 | 是 | 订购 |
客服中心
- 15042863601296015135
- 销售热线:023-65830950
- 传真号码:023-65830951
- 业务手机:15310305680
- 电子邮箱:foros@qq.com
栏目列表
推荐康明斯配件
- 【引擎6BTAA5.9-C190的起动机组
- 9245起动马达隔套,用于康明斯NTA85
- 143950阳性接头,用于康明斯KTA19
- 114638锁紧片,用于康明斯NTCR-2
- 3010596带垫圈螺栓,用于康明斯NTA
- 3010596带垫圈螺栓,用于康明斯NTA
- 206590主轴承,用于康明斯KT38-G
- 3008469管塞,用于康明斯NT855-
- 125245抱箍,用于康明斯NT855-C
- 3014766带垫螺栓,用于康明斯KTA1
- 3022157气缸套,用于康明斯KTA38
- 142429弯管接头,用于康明斯NT855
- 70704垫圈,用于康明斯M11-C350
- S929B缩紧管衬套,用于康明斯NTA85
- 3200069单向阀支架,用于康明斯KTA
- 214617管夹,用于康明斯NTA855-
- S113六角螺栓,用于康明斯KTA19-M
- 3008468管塞,用于康明斯NTA855
- 109594平垫圈,用于康明斯NT855-
- 70704垫圈,用于康明斯NTCR-290
- 3899910机油歧管总成,用于康明斯M1
- 【六角头螺栓】康明斯CUMMINS柴油机的
- 【柴油机C260 20的输油泵组】 康明斯
- S126六角螺栓,用于康明斯NTCR-29
- 4060816飞轮总成,用于康明斯ISM3

