基本参数

| 名称 | 【插头适配器】康明斯CUMMINS柴油机的3094445 插头适配器 |
| 相关机型 | QST30 |
| 品质 | OEM/aftermarket |
| ID号 | 483-DB3-I04 |
| 价格 | 授权可见 点击询价 |
| 主要用途 | 康明斯柴油机用的插头适配器[详细说明>>] |
详细说明
打印本页
【插头适配器】康明斯CUMMINS柴油机的3094445 插头适配器
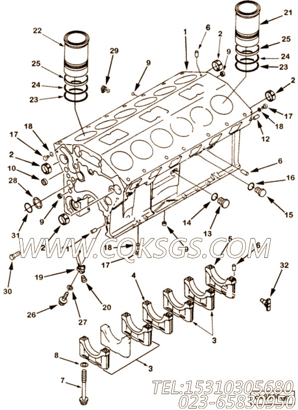
相关参数和图片:
| 研发时间 | 部分用途 | 产品名称 |
| 96年MAR | QST30 CM850,QST30 CM552 | Adapter, Plug |
| ||
| 图号 | ID号 | 零件名称 | 一般装配量 | 销售(是/否) | 订购链接 |
| WA5720 | PLUMBING,AFT WATER | 否 | |||
| 1 | 3025458 | 管塞 | 2 | 是 | 订购 |
| 2 | 3064106 | 六角头螺栓 | 8 | 是 | 订购 |
| 3 | 3092040 | O型圈插头 | 1 | 是 | 订购 |
| 4 | 3093155 | O 形密封圈 | 2 | 是 | 订购 |
| 5 | 3093742 | 六角头螺栓 | 3 | 是 | 订购 |
| 6 | 3093983 | 盖板 | 2 | 是 | 订购 |
| 7 | 3093984 | 盖板垫片 | 2 | 是 | 订购 |
| 8 | 3094341 | O 形密封圈 | 1 | 是 | 订购 |
| 9 | 3094445 | 即插即用适配器 | 2 | 是 | 订购 |
| 10 | 4068731 | WTR TRF连接垫片 | 2 | 是 | 订购 |
| 11 | 3093159 | 盖板 | 1 | 是 | 订购 |
客服中心
- 15042863601296015135
- 销售热线:023-65830950
- 传真号码:023-65830951
- 业务手机:15310305680
- 电子邮箱:foros@qq.com
栏目列表
推荐康明斯配件
- 3011301风扇防护板,用于康明斯NTA
- S142六角螺栓,用于康明斯NTA855-
- 3010596带垫圈螺栓,用于康明斯NT8
- S112螺栓,用于康明斯KTA19-M60
- 3200178增压器回油管,用于康明斯NT
- 3001340O型密封圈,用于康明斯KTA
- S104六角螺栓,用于康明斯KTA38-M
- 207244喷油器密封环,用于康明斯KTA
- S679平垫圈,用于康明斯NYA855-G
- 203310平垫圈,用于康明斯KTA38-
- 143950阳性接头,用于康明斯KTA19
- 3629140摇臂室盖衬垫,用于康明斯KT
- 130394旁通水连管,用于康明斯NTA8
- 3053044导线,用于康明斯NT855-
- S610弹簧垫圈,用于康明斯KTA38-G
- 3821836调节杆,用于康明斯M11-C
- 100269夹子,用于康明斯M11-C31
- 【活塞冷却喷嘴】康明斯CUMMINS柴油机
- 3820664软管,用于康明斯NYA855
- 3046430推杆,用于康明斯NT855-
- 3040838带垫螺栓,用于康明斯KTA1
- 【管塞】康明斯CUMMINS柴油机的301
- 170226起吊支架,用于康明斯NT855
- S605弹簧垫圈,用于康明斯NTA855-
- 3035776风扇隔套,用于康明斯M11-

