基本参数

详细说明
打印本页
【机油滤头】康明斯CUMMINS柴油机的3254235 机油滤头
相关参数和图片:
| 研发时间 | 部分用途 | 产品名称 |
| 94年NOV | NT,NH | Head, Lub Oil Filter |
| ||
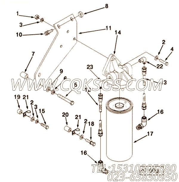
| 图号 | ID号 | 零件名称 | 一般装配量 | 销售(是/否) | 订购链接 |
| 1 | S 223 | 重型六角螺母 | 3 | 是 | 订购 |
| OF1055 | 机油滤清器 | 否 | |||
| 2 | S 602 | 平垫圈 | 5 | 是 | 订购 |
| 3 | S 604 | 锁紧垫圈 | 4 | 是 | 订购 |
| 4 | 108707 | 六角头螺栓 | 3 | 是 | 订购 |
| 5 | S 119 C | 六角头螺栓 | 2 | 是 | 订购 |
| 6 | S 610 | 锁紧垫圈 | 2 | 是 | 订购 |
| 7 | 67224 A | 安装垫片 | 2 | 是 | 订购 |
| 8 | 108518 | 发电机支架垫片 | 2 | 是 | 订购 |
| 9 | 3000082 | 平垫圈 | 2 | 是 | 订购 |
| 10 | 3011715 | 螺钉 | 2 | 是 | 订购 |
| 11 | 3251854 | 过滤器支架 | 1 | 是 | 订购 |
| 12 | AS 6017 SS | 柔性软管 | 1 | 否 | |
| 13 | AK 6024 SS | 柔性软管 | 1 | 是 | 订购 |
| 14 | 3254235 | 滑油过滤器头 | 1 | 是 | 订购 |
| 15 | S 103 D | 六角头螺栓 | 1 | 是 | 订购 |
| 16 | 3063673 | 外螺纹弯头 | 2 | 是 | 订购 |
| 17 | 3313283 | 机油滤清器滤芯 | 1 | 是 | 订购 |
| 18 | 3012473 | 螺钉 | 1 | 是 | 订购 |
| 19 | 63385 | Spacer, Water Conn | 1 | 是 | 订购 |
| 20 | 64709 | 安装垫片 | 1 | 是 | 订购 |
| 21 | 68425 | 剪裁 | 2 | 是 | 订购 |
| 22 | 68645 | 阳性适配器弯头 | 1 | 是 | 订购 |
| 23 | 144378 | 阳性适配器弯头 | 1 | 是 | 订购 |
客服中心
- 15042863601296015135
- 销售热线:023-65830950
- 传真号码:023-65830951
- 业务手机:15310305680
- 电子邮箱:foros@qq.com
栏目列表
推荐康明斯配件
- 3013904带垫螺拴,用于康明斯NTA8
- 【C125741】T形螺栓卡箍 用在康明斯
- 148582定位销,用于康明斯KTA38-
- 68139阳性弯管接头,用于康明斯NTA8
- S2286自攻螺钉,用于康明斯KTA19-
- 1000220滤清器拆装工具,用于康明斯M
- 3015238温度传感器,用于康明斯KTA
- 3008947键槽密封,用于康明斯NTA8
- 3015238温度传感器,用于康明斯NTA
- 3165998放水开关,用于康明斯KTA1
- 3021645空滤器,用于康明斯NT855
- AS10018SS软管,用于康明斯NT85
- 3010595带垫螺栓,用于康明斯NTA8
- S600弹簧垫圈,用于康明斯ISM380E
- 【空气CPR进口连接】康明斯CUMMINS
- 205288进水管衬垫,用于康明斯KTA1
- 3031404油管接头,用于康明斯KTA1
- S604弹簧垫圈,用于康明斯NTA855-
- 3165970平垫圈,用于康明斯KTA19
- 3031734转速表,用于康明斯NTA85
- 70704垫圈,用于康明斯M11R-310
- S911B管塞,用于康明斯NTA855-G
- 3655924防护盖,用于康明斯KTA19
- 【柴油机B220 30的节温器座组】 康明
- S604弹簧垫圈,用于康明斯NYA855-

