基本参数

详细说明
打印本页
【安装垫片】康明斯CUMMINS柴油机的3279132 安装垫片
相关参数和图片:
| 研发时间 | 部分用途 | 产品名称 |
| 97年APR | C8.3,ISC CM2150,6L8.9,ISC8.3 CM2250,ISL G CM2180,QSL9 CM2250,QSC8.3 CM554,ISL9 CM2250,QSL9 CM554,6C,QSL9 CM850,C Gas Plus CM556,C8.3G,G8.3,L Gas Plus CM556,ISC CM554,QSC8.3 CM2250,QSL9 G CM558,ISC CM850,ISL CM554,QSC8.3 CM850,ISL CM2150,ISL CM2150 SN,ISL CM850,GTA8.3 CM558 | Spacer, Mounting |
| ||
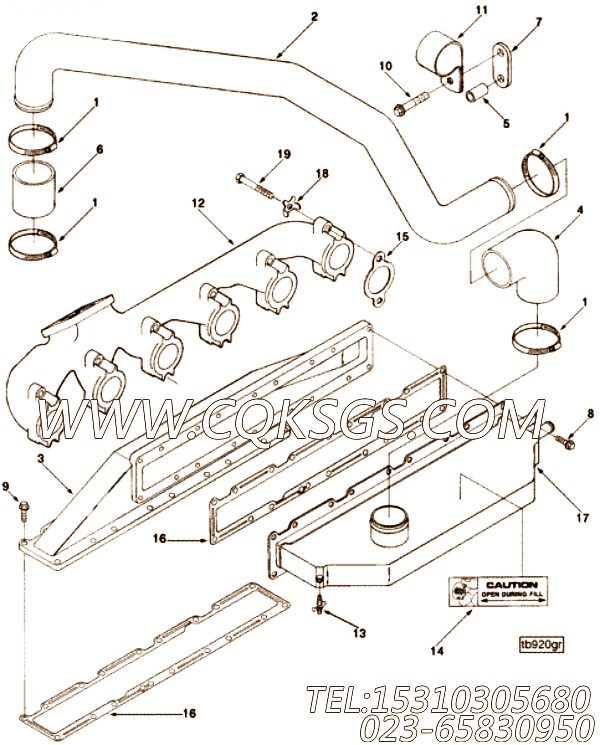
| 图号 | ID号 | 零件名称 | 一般装配量 | 销售(是/否) | 订购链接 |
| TB9101 | 涡轮增压器位置 | 否 | |||
| 1 | 3026396 | 软管卡箍 | 6 | 是 | 订购 |
| 2 | 3276818 | 空气管 | 1 | 是 | 订购 |
| 3 | 3276821 | 进气连接 | 1 | 是 | 订购 |
| 4 | 3279090 | 弯头软管 | 1 | 是 | 订购 |
| 5 | 3279132 | 安装垫片 | 1 | 是 | 订购 |
| 6 | 3279246 | 平原软管 | 1 | 是 | 订购 |
| 7 | 3281619 | 管梅开二度 | 1 | 是 | 订购 |
| 8 | 3900630 | 六角法兰头螺丝 | 18 | 是 | 订购 |
| 9 | 3900631 | 六角法兰头螺丝 | 18 | 是 | 订购 |
| 10 | 3902115 | 六角法兰头螺丝 | 1 | 是 | 订购 |
| 11 | 3905776 | 剪裁 | 1 | 是 | 订购 |
| 12 | 3907451 | 排气歧管 | 1 | 是 | 订购 |
| 13 | 3909394 | Draincock | 1 | 是 | 订购 |
| 14 | 3910778 | 贴花 | 1 | 是 | 订购 |
| 15 | 3911942 | 排气歧管垫片 | 1 | 是 | 订购 |
| 16 | 3914311 | 诠释歧管盖垫片 | 1 | 否 | |
| 17 | 3914501 | 中冷器 | 1 | 是 | 订购 |
| 18 | 3914708 | 锁片 | 12 | 是 | 订购 |
| 19 | 3914956 | 六角头螺栓 | 12 | 是 | 订购 |
客服中心
- 15042863601296015135
- 销售热线:023-65830950
- 传真号码:023-65830951
- 业务手机:15310305680
- 电子邮箱:foros@qq.com
栏目列表
推荐康明斯配件
- 103023六角螺栓,用于康明斯KTA38
- S610弹簧垫圈,用于康明斯NT855-C
- 3033822带垫圈螺栓,用于康明斯KTA
- 【防护罩】康明斯CUMMINS柴油机的30
- 3030514弯管,用于康明斯M11-C2
- 197221空滤器箍带,用于康明斯NTA8
- S605弹簧垫圈,用于康明斯KTA38-C
- 3070130接头,用于康明斯M11-35
- 3821836调节杆,用于康明斯M11-3
- 129859弯接头,用于康明斯KTA19-
- S602平垫圈,用于康明斯KTA19-G3
- 3201693附件驱动支架衬垫,用于康明斯
- S626平垫圈,用于康明斯NTA855-C
- 3008466管塞,用于康明斯NTA855
- 3895438螺栓,用于康明斯M11-35
- 3049174输水管,用于康明斯NTA85
- S145六角螺栓,用于康明斯NTA855-
- 142234排气管衬垫,用于康明斯NTA8
- 69699平垫圈,用于康明斯NTA855-
- 3178320旁通水管,用于康明斯KT38
- 8306园柱销,用于康明斯KTA38-G2
- 205128平垫圈,用于康明斯KTA38-
- 200861平垫圈,用于康明斯NT855-
- S624平垫圈,用于康明斯KTA38-G2
- 3820922空压机衬垫,用于康明斯M11

