基本参数

详细说明
打印本页
【外螺纹弯头】康明斯CUMMINS柴油机的3332349 外螺纹弯头
相关参数和图片:
| 研发时间 | 部分用途 | 产品名称 |
| 10年FEB | QSK45 CM500,QSK45G | 外螺纹弯头 |
| ||
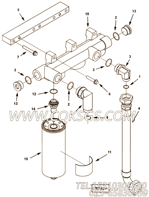
| 图号 | ID号 | 零件名称 | 一般装配量 | 销售(是/否) | 订购链接 |
| FF6071-01 | 燃油滤清器 | 否 | |||
| 3332349 | 外螺纹弯头 | 1 | 是 | 订购 | |
| 1 | 3075658 | O 形密封圈 | 1 | 是 | 订购 |
| 2 | 3089019 | O 形密封圈 | 1 | 是 | 订购 |
| 3 | 3332350 | 外螺纹弯头 | 1 | 否 | |
| 4 | 3905372 | 六角法兰头螺丝 | 3 | 是 | 订购 |
| 5 | 4017295 | 保护盖 | 1 | 是 | 订购 |
| 4086602 | 单向阀 | 1 | 是 | 订购 | |
| 2 | 3089019 | O 形密封圈 | 1 | 是 | 订购 |
| 6 | 3332160 | O 形密封圈 | 1 | 是 | 订购 |
| 7 | 4086604 | 单向阀 | 1 | 否 | |
| 8 | 4095189 | 燃料水分离器 | 3 | 否 | |
| 9 | 4910319 | 贴花 | 3 | 是 | 订购 |
| 3640341 | 燃油过滤器头 | 1 | 是 | 订购 | |
| 10 | 4975427 | O 形密封圈 | 3 | 是 | 订购 |
| 3089023 | 螺塞 | 2 | 是 | 订购 | |
| 2 | 3089019 | O 形密封圈 | 1 | 是 | 订购 |
| 11 | 3089021 | 螺塞 | 1 | 否 | |
| 12 | 4916693 | 滤清器座连接件 | 3 | 是 | 订购 |
| 13 | 4916702 | 燃油过滤器头 | 1 | 是 | 订购 |
客服中心
- 15042863601296015135
- 销售热线:023-65830950
- 传真号码:023-65830951
- 业务手机:15310305680
- 电子邮箱:foros@qq.com
栏目列表
推荐康明斯配件
- S103A六角螺栓,用于康明斯KTA19-
- 【Belt, V】康明斯CUMMINS柴油
- 【引擎C230 20的节温器组】 康明斯节
- 3165410隔振垫,用于康明斯NTA85
- 43828F抱箍,用于康明斯NT855-C
- 140313抱箍,用于康明斯NG4柴油发动
- 206998输水管,用于康明斯KTTA19
- S217六角厚螺母,用于康明斯KTA19-
- 3026758压力控制阀座,用于康明斯M1
- 3030792直橡胶接管,用于康明斯KTT
- S104六角螺栓,用于康明斯NTA855-
- 207386螺栓,用于康明斯KT19-C4
- 3010595带垫螺栓,用于康明斯NTA8
- 3013623六角螺栓,用于康明斯NTA8
- 【街三通管道】康明斯CUMMINS柴油机的
- 200809辅助传动室垫片,用于康明斯NT
- 【柴油机6BTA5.9-G2的操作保养手册
- S603弹簧垫圈,用于康明斯KTA38-G
- 3080769矩形密封圈,用于康明斯M11
- 3608833曲轴,用于康明斯NTA855
- 3035766小时计,用于康明斯NT855
- S109六角螺栓,用于康明斯KT38-G-
- AS6024SL软管,用于康明斯KTA38
- 219138六角螺母,用于康明斯NTA85
- 3013786管塞,用于康明斯NTA855

