基本参数

详细说明
打印本页
【套件和组件】康明斯CUMMINS柴油机的3390272 套件和组件
相关参数和图片:
| 研发时间 | 部分用途 | 产品名称 |
| 91年NOV | NT,NH | 油尺 |
| ||
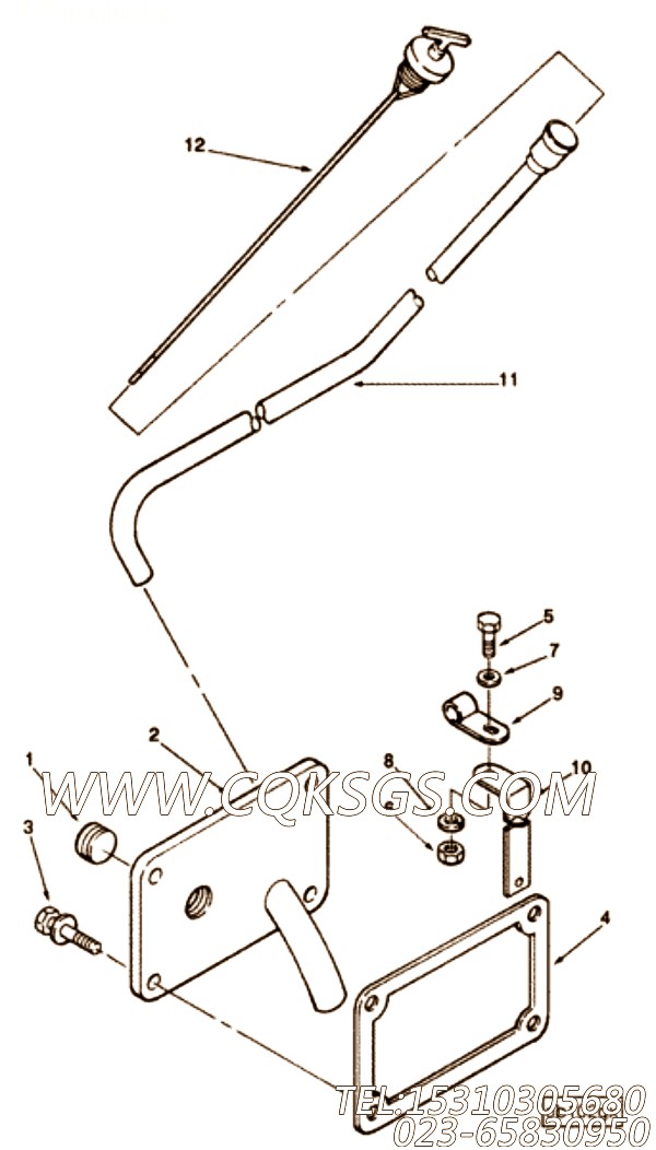
| 图号 | ID号 | 零件名称 | 一般装配量 | 销售(是/否) | 订购链接 |
| 8 | S 604 | 锁紧垫圈 | 1 | 是 | 订购 |
| OB1311-02 | 机油滤清器布置 | 否 | |||
| 1 | 3008469 | 管塞 | 1 | 是 | 订购 |
| 2 | 3062888 | 油井管的支架 | 1 | 是 | 订购 |
| 3 | 3068466 | 手孔垫片 | 1 | 是 | 订购 |
| 4 | 3010595 | 螺钉 | 4 | 是 | 订购 |
| 5 | S 112 | 六角头螺栓 | 1 | 是 | 订购 |
| 6 | S 223 | 重型六角螺母 | 1 | 是 | 订购 |
| 7 | S 602 | 平垫圈 | 1 | 是 | 订购 |
| 9 | 68152 | 剪裁 | 1 | 是 | 订购 |
| 10 | 3390271 | 油量表管 | 1 | 否 | |
| 11 | 3390272 | 油尺 | 1 | 否 | |
| 3035198 | 试纸第 | 1 | 否 | ||
| 12 | 3390273 | 油井管的支架 | 1 | 否 | |
| 13 | 163759 | 管连接器 | 1 | 是 | 订购 |
客服中心
- 15042863601296015135
- 销售热线:023-65830950
- 传真号码:023-65830951
- 业务手机:15310305680
- 电子邮箱:foros@qq.com
栏目列表
推荐康明斯配件
- 3015232油压表,用于康明斯NTA85
- 3039252机油盘联接体,用于康明斯KT
- S604弹簧垫圈,用于康明斯KT19-C4
- 3066877凸轮轴,用于康明斯KTA19
- 200861平垫圈,用于康明斯KTA19-
- 3201125O型密封圈,用于康明斯NG4
- 3630839摇臂室衬垫,用于康明斯KTA
- 112105阳性弯接头,用于康明斯KTA1
- 3161475凸轮从动件总成,用于康明斯M
- 69736锁紧螺栓,用于康明斯NT855-
- S1039A阳性管接头,用于康明斯KTA1
- 1000220滤清器拆装工具,用于康明斯N
- 3171368增压器衬垫,用于康明斯KTA
- 3010388摇臂室盖,用于康明斯KTA3
- 【发动机C220 20CNG的节温器组】
- 3028279六角螺栓,用于康明斯NTA8
- 3011301风扇防护板,用于康明斯NTA
- 3011715带垫螺栓,用于康明斯NTA8
- S670平垫圈,用于康明斯NTA855-G
- 3883659衬垫,用于康明斯M11-31
- 3010596带垫圈螺栓,用于康明斯NTA
- 179904软管夹,用于康明斯NT855-
- 3201401输水联接管,用于康明斯KTA
- 【引擎B190 30的信号发生装置】 康明
- 127362平垫圈,用于康明斯NG4主机基

