基本参数

详细说明
打印本页
【CPR水出口管】康明斯CUMMINS柴油机的3629625 CPR水出口管
相关参数和图片:
| 研发时间 | 部分用途 | 产品名称 |
| 96年SEP | G50,K50,QSK50 CM2150 MCRS,QSK50 CM850 MCRS | Tube, Cpr Water Outlet |
| ||
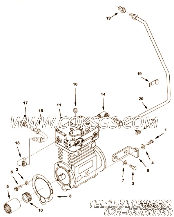
| 图号 | ID号 | 零件名称 | 一般装配量 | 销售(是/否) | 订购链接 |
| 9 | 3630408 | 空气压缩机梅开二度 | 1 | 是 | 订购 |
| CP6016-04 | 空气压缩机 | 否 | |||
| 1 | S 112 | 六角头螺栓 | 1 | 是 | 订购 |
| 2 | S 610 | 锁紧垫圈 | 4 | 是 | 订购 |
| 3 | 103023 | 六角头螺栓 | 2 | 是 | 订购 |
| 4 | 108330 | 平垫圈 | 1 | 是 | 订购 |
| 5 | 199358 | 花键联轴器袖 | 1 | 是 | 订购 |
| 6 | 206402 | 12 角头螺栓 | 4 | 是 | 订购 |
| 7 | 3000082 | 平垫圈 | 2 | 是 | 订购 |
| 8 | 3076226 | 空气压缩机垫片 | 1 | 是 | 订购 |
| 3022314 | Compreesor, Air | 是 | 订购 | ||
| 10 | 200398 | 花键联轴器集线器 | 1 | 是 | 订购 |
| 11 | 3069211 | 空气压缩机 | 1 | 是 | 订购 |
| 12 | 3638582 | Draincock | 1 | 是 | 订购 |
| 13 | 204994 | 公连接器 | 1 | 是 | 订购 |
| 14 | 3176355 | 阳性适配器弯头 | 1 | 是 | 订购 |
| 15 | 3627548 | CPR进水管 | 1 | 是 | 订购 |
| 16 | 3628606 | 管塞 | 1 | 是 | 订购 |
| 17 | S 1002 A | 公连接器 | 1 | 是 | 订购 |
| 18 | 204995 | 阳性适配器弯头 | 1 | 是 | 订购 |
| 19 | 3175058 | 剪裁 | 1 | 是 | 订购 |
| 20 | 3629625 | CPR水口管 | 1 | 是 | 订购 |
客服中心
- 15042863601296015135
- 销售热线:023-65830950
- 传真号码:023-65830951
- 业务手机:15310305680
- 电子邮箱:foros@qq.com
栏目列表
推荐康明斯配件
- S604弹簧垫圈,用于康明斯NTA855-
- 3165731燃油供油管,用于康明斯KTA
- 3016627充电机,用于康明斯KTA19
- 3040813螺塞,用于康明斯NTA855
- 3076489节温器,用于康明斯KTA38
- 205269挡圈,用于康明斯KTA38-G
- 3419239机油尺管,用于康明斯KTA1
- 3038060空压机进水管,用于康明斯NT
- 3015525挡圈,用于康明斯KTA19-
- 205269挡圈,用于康明斯KT38-G-
- S610弹簧垫圈,用于康明斯KT38-M8
- 3166289汽缸垫,用于康明斯KT38-
- 3331668冷却器芯,用于康明斯KTA1
- 3000521O型密封圈,用于康明斯NTA
- 206277进气歧管衬垫,用于康明斯KTA
- 206610主轴承,用于康明斯KTA38-
- 【引擎6BTAA5.9-C190的起动机组
- 3013930连杆总成,用于康明斯NTA8
- 3166127M11零件目录,用于康明斯M
- 219138六角螺母,用于康明斯NT855
- 3166107滤清器使用说明书,用于康明斯
- S610弹簧垫圈,用于康明斯NTA855-
- 【Ø形密封圈】康明斯CUMMINS柴油机的
- 3200969接头,用于康明斯M11-35
- 【引擎6LTAA8.9-G2的机油冷却器组

