基本参数

详细说明
打印本页
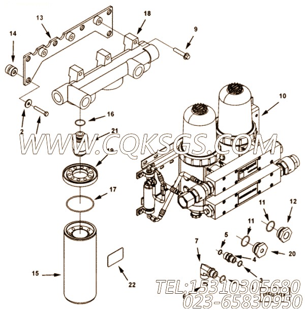
【燃油滤清器盖】康明斯CUMMINS柴油机的3640313 燃油滤清器盖
相关参数和图片:
| 研发时间 | 部分用途 | 产品名称 |
| 08年NOV | G50,K50,QSK50 CM2150 MCRS,QSK50 CM850 MCRS | Head, Fuel Filter |
| ||
| 图号 | ID号 | 零件名称 | 一般装配量 | 销售(是/否) | 订购链接 |
| FF6104-03 | 燃油滤清器 | 否 | |||
| 1 | S 104 | 六角头螺栓 | 6 | 是 | 订购 |
| 2 | 170664 | 平垫圈 | 12 | 是 | 订购 |
| 3171818 | 外螺纹接头 | 2 | 是 | 订购 | |
| 3 | 3089240 | O 形密封圈 | 1 | 是 | 订购 |
| 4 | 3171819 | 外螺纹接头 | 1 | 是 | 订购 |
| 5 | 3630740 | O 形密封圈 | 1 | 是 | 订购 |
| 3331818 | 外螺纹弯头 | 2 | 是 | 订购 | |
| 6 | 3085709 | O 形密封圈 | 1 | 是 | 订购 |
| 7 | 3331819 | 外螺纹弯头 | 1 | 否 | |
| 8 | 3678606 | O 形密封圈 | 1 | 是 | 订购 |
| 9 | 3905372 | 六角法兰头螺丝 | 3 | 是 | 订购 |
| 10 | 4964098 | 燃油过滤器 | 1 | 是 | 订购 |
| 4964129 | 减少适配器 | 2 | 是 | 订购 | |
| 11 | 3089019 | O 形密封圈 | 1 | 是 | 订购 |
| 12 | 4964128 | 减少适配器 | 1 | 是 | 订购 |
| 13 | 4964141 | 过滤器支架 | 1 | 是 | 订购 |
| 14 | 4964142 | 振动隔离器 | 6 | 是 | 订购 |
| 15 | 4964234 | 燃油过滤器 | 3 | 是 | 订购 |
| 3640313 | 燃油过滤器头 | 1 | 是 | 订购 | |
| 16 | 4975427 | O 形密封圈 | 3 | 是 | 订购 |
| 17 | 3899283 | O 形密封圈 | 3 | 是 | 订购 |
| 18 | 4916702 | 燃油过滤器头 | 1 | 是 | 订购 |
| 19 | 4964120 | 滤清器座连接件 | 3 | 是 | 订购 |
| 4964131 | 减少适配器 | 2 | 是 | 订购 | |
| 11 | 3089019 | O 形密封圈 | 1 | 是 | 订购 |
| 20 | 4964130 | 减少适配器 | 1 | 是 | 订购 |
| 21 | 4969130 | 滤清器座连接件 | 3 | 是 | 订购 |
| 22 | 4969141 | 贴花 | 3 | 否 |
客服中心
- 15042863601296015135
- 销售热线:023-65830950
- 传真号码:023-65830951
- 业务手机:15310305680
- 电子邮箱:foros@qq.com
栏目列表
推荐康明斯配件
- 68193管塞,用于康明斯NTA855-G
- 106069六角螺栓,用于康明斯KT38-
- 3165735供油管,用于康明斯KTA19
- 3419052风扇防护板,用于康明斯NTA
- 3165999放水开关,用于康明斯NTA8
- 144372凸式弯管接头,用于康明斯KTA
- S607弹簧垫圈,用于康明斯KTA19-M
- 108172O型密封圈,用于康明斯KTA1
- 3074402衬垫,用于康明斯NTA855
- 【发动机6CTA8.3-C230的节温器组
- 3008466管塞,用于康明斯NT855-
- 3008883防护盖,用于康明斯NTA85
- S603弹簧垫圈,用于康明斯KTA19-G
- 3046420推杆,用于康明斯NTA855
- 3032161衬垫,用于康明斯KTA19-
- 3418519加机油口盖总成,用于康明斯N
- 3012472带垫圈螺栓,用于康明斯KTA
- S605弹簧垫圈,用于康明斯NTA855-
- 3165736燃油供油管,用于康明斯NG4
- 145782隔套,用于康明斯NT855-M
- 4003913摇臂,用于康明斯ISM320
- 43828D管夹,用于康明斯NTA855-
- 3074540海水泵,用于康明斯KTA19
- 208326抱箍,用于康明斯NT855-L
- S610弹簧垫圈,用于康明斯NTA855-

