基本参数

详细说明
打印本页
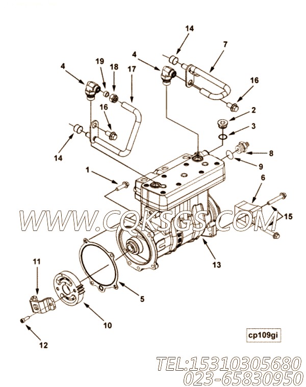
【空气压缩机】康明斯CUMMINS柴油机的3681934 空气压缩机
相关参数和图片:
| 研发时间 | 部分用途 | 产品名称 |
| 00年FEB | ISX15 CM2250,QSX15 CM570,ISZ13 CM2150 SN,ISX CM871,ISX CM570,ISX CM870,ISX CM871 E,QSX15 CM2250 | Compressor, Air |
| ||
| 图号 | ID号 | 零件名称 | 一般装配量 | 销售(是/否) | 订购链接 |
| CP1077-02 | 空气压缩机 | 否 | |||
| 1 | 3089016 | 六角法兰头螺丝 | 4 | 是 | 订购 |
| 3678838 | 螺塞 | 1 | 是 | 订购 | |
| 2 | 3678845 | 螺塞 | 1 | 否 | |
| 3 | 3678846 | O 形密封圈 | 1 | 是 | 订购 |
| 4 | 3679958 | 外螺纹接头 | 2 | 是 | 订购 |
| 3678786 | O 形密封圈 | 1 | 是 | 订购 | |
| 5 | 3680443 | ACC驱动器支持垫片 | 1 | 是 | 订购 |
| 6 | 3680444 | 空气压缩机梅开二度 | 1 | 是 | 订购 |
| 4059312 | 柔性软管 | 1 | 是 | 订购 | |
| 7 | 3102108 | 柔性软管 | 1 | 否 | |
| 3682018 | 空气压缩机 | 1 | 是 | 订购 | |
| 3099704 | 外螺纹接头 | 1 | 是 | 订购 | |
| 8 | 3099703 | 外螺纹接头 | 1 | 否 | |
| 9 | 3678606 | O 形密封圈 | 1 | 是 | 订购 |
| 10 | 3680550 | 传动配件齿轮 | 1 | 否 | |
| 11 | 3681612 | 除非适配器 | 1 | 是 | 订购 |
| 12 | 3681898 | 六角螺丝 | 2 | 是 | 订购 |
| 13 | 3681934 | 空气压缩机 | 1 | 否 | |
| 14 | 3102109 | O 形密封圈 | 2 | 是 | 订购 |
| 15 | 3900635 | 六角法兰头螺丝 | 4 | 是 | 订购 |
| 16 | 3903990 | 六角法兰头螺丝 | 2 | 是 | 订购 |
| 4059314 | 柔性软管 | 1 | 是 | 订购 | |
| 17 | 3102107 | 柔性软管 | 1 | 是 | 订购 |
客服中心
- 15042863601296015135
- 销售热线:023-65830950
- 传真号码:023-65830951
- 业务手机:15310305680
- 电子邮箱:foros@qq.com
栏目列表
推荐康明斯配件
- 3008690抱箍,用于康明斯M11-C2
- 170226起吊支架,用于康明斯NT855
- 【骨折抗螺杆】康明斯CUMMINS柴油机的
- 3008832输水管接头衬垫,用于康明斯N
- 104215跳动式开关,用于康明斯KTA1
- 43828A软管卡箍,用于康明斯KTA38
- 3000446油门盖板,用于康明斯NTC-
- AS6018SS柔性软管,用于康明斯KTA
- S658平垫圈,用于康明斯NTA855-C
- S2286自攻螺钉,用于康明斯NTA855
- 103023六角螺栓,用于康明斯KTA38
- 43828B软管夹箍,用于康明斯NT855
- 3419052风扇防护板,用于康明斯NT8
- 3892625机油冷却器支座衬垫,用于康明
- 3042619接头,用于康明斯M11R-3
- 179904软管夹,用于康明斯NT855-
- 65274手孔盖衬垫,用于康明斯NTA85
- 204165螺栓,用于康明斯NTA855-
- 【机油滤芯】康明斯CUMMINS柴油机的3
- 3165970平垫圈,用于康明斯NTA85
- 207442燃油管路联接,用于康明斯KTA
- 206455水泵衬垫,用于康明斯KTA38
- 3165659旁通油管,用于康明斯NTA8
- S921D衬套接头,用于康明斯KTA38-
- 【发动机6BTA5.9-G2的发电机组】

