基本参数

| 名称 | 【识别标记】康明斯CUMMINS柴油机的3843514 识别标记 |
| 相关机型 | L10 |
| 品质 | OEM/aftermarket |
| ID号 | 815-3L4-922 |
| 价格 | 授权可见 点击询价 |
| 主要用途 | 康明斯柴油机用的识别标记[详细说明>>] |
详细说明
打印本页
【识别标记】康明斯CUMMINS柴油机的3843514 识别标记
相关参数和图片:
| 研发时间 | 部分用途 | 产品名称 |
| 96年DEC | L10,L10 Gas,L10 CELECT | Decal |
| ||
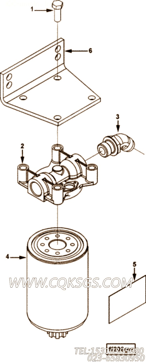
| 图号 | ID号 | 零件名称 | 一般装配量 | 销售(是/否) | 订购链接 |
| FF2178-02 | 燃油滤清器 | 否 | |||
| 1 | S 112 | 六角头螺栓 | 4 | 是 | 订购 |
| 2 | 142784 | 燃油过滤器头 | 1 | 是 | 订购 |
| 3 | 200293 | 外螺纹弯头 | 1 | 是 | 订购 |
| 4 | 3843447 | 燃料水分离器 | 1 | 是 | 订购 |
| 5 | 3843514 | 贴花 | 1 | 是 | 订购 |
| 6 | 4962719 | 过滤器支架 | 1 | 是 | 订购 |
客服中心
- 15042863601296015135
- 销售热线:023-65830950
- 传真号码:023-65830951
- 业务手机:15310305680
- 电子邮箱:foros@qq.com
栏目列表
推荐康明斯配件
- S103A六角螺栓,用于康明斯KTA19-
- 【水进口管】康明斯CUMMINS柴油机的3
- 【锁紧螺母】康明斯CUMMINS柴油机的1
- S142六角螺栓,用于康明斯NT855-L
- 153581十二角螺栓,用于康明斯NT85
- S605弹簧垫圈,用于康明斯KTA19-G
- 3655112机油吸油软管,用于康明斯NY
- 3010589带垫螺栓,用于康明斯NTA8
- 3035766小时计,用于康明斯KT38-
- 3014304矩形密封圈,用于康明斯KTA
- 3008017机油冷却器衬垫,用于康明斯N
- 3012471带垫螺栓,用于康明斯NT85
- S622平垫圈,用于康明斯NTA855-C
- 70704垫圈,用于康明斯M11-310动
- 3899849软管,用于康明斯M11-C3
- 3033822带垫圈螺栓,用于康明斯NTA
- 3002158管塞,用于康明斯KTA38-
- 【柴油机6CTAA8.3-G2的电子附件组
- 3055099气缸套,用于康明斯NTA85
- 3021645空滤器总成,用于康明斯NT8
- 207442燃油管路联接,用于康明斯KTA
- 69901管塞,用于康明斯NTA855-C
- 138042六角螺栓,用于康明斯NT855
- 3883620油封,用于康明斯M11-C3
- 【柴油机6LT9.5-C220的性能件组】

