基本参数

详细说明
打印本页
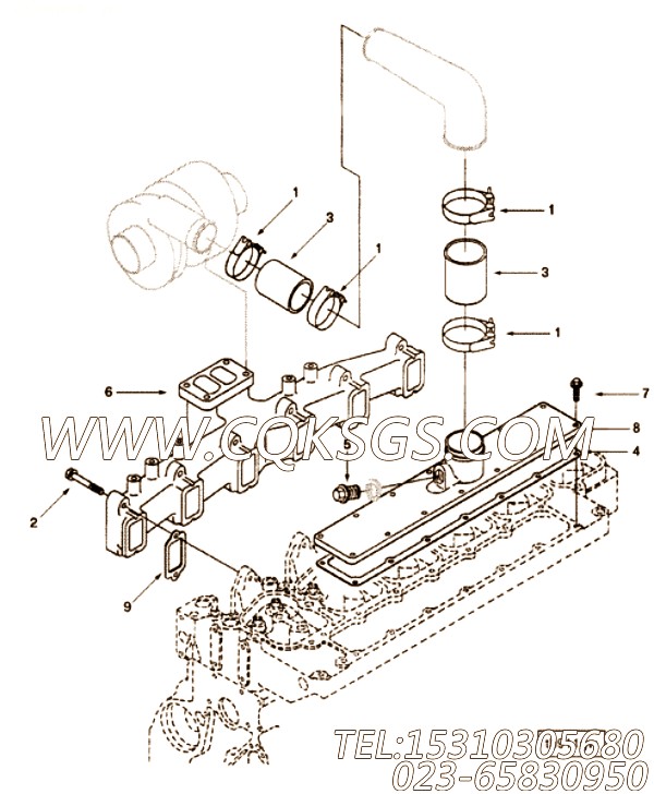
【排气歧管】康明斯CUMMINS柴油机的3904322 排气歧管
相关参数和图片:
| 研发时间 | 部分用途 | 产品名称 |
| 91年MAY | ISD4.5 CM2150,B5.9 LPG Plus CM556,G5.9,ISB 5.9 G CM2180,B4.5s,ISF3.8 CM2220 AN,ISB6.7 CM2250,B4.5 RGT,ISB CM800,QSB5.9-44 CM550,B5.9 G,G3.9,ISBe4 CM850,ISD6.7 CM2150,ISD6.7 CM2150 SN,QSB6.7 CM2250,QSB3.9-30 CM550,QSB5.9-30 CM550,B Gas Plus CM556,B6.7s,ISB CM2150,ISD4.5 CM2150 SN,ISB CM850,B LPG Plus CM556,B4.5,B3.9,ISF2.8 CM2220 AN,ISB6.7 CM2150 SN,QSB6.7 CM850,ISBe4 CM2150,G5.9 CM558,ISB6.7 CM2150 SQ,ISB4.5 CM2150 SN,ISB CM550,QSB5.9 CM850,B Gas International CM556,QSB4.5-30 CM550,ISBe CM800,ISBe5 CM2150 SN,QSB4.5 CM850,B5.9,ISBe CM850 | Manifold, Exhaust |
| ||
| 图号 | ID号 | 零件名称 | 一般装配量 | 销售(是/否) | 订购链接 |
| TB9006 | 涡轮增压器位置 | 否 | |||
| 1 | 3008690 | 软管卡箍 | 4 | 是 | 订购 |
| 2 | 3901448 | 六角法兰头螺丝 | 12 | 是 | 订购 |
| 3 | 3901804 | 平原软管 | 2 | 是 | 订购 |
| 4 | 3902002 | 诠释歧管盖垫片 | 1 | 是 | 订购 |
| 5 | 3904319 | 螺塞 | 1 | 是 | 订购 |
| 6 | 3904322 | 排气歧管 | 1 | 否 | |
| 7 | 3904341 | 六角法兰头螺丝 | 14 | 是 | 订购 |
| 8 | 3904862 | 进气歧管盖 | 1 | 是 | 订购 |
| 9 | 3905443 | 排气歧管垫片 | 6 | 否 |
客服中心
- 15042863601296015135
- 销售热线:023-65830950
- 传真号码:023-65830951
- 业务手机:15310305680
- 电子邮箱:foros@qq.com
栏目列表
推荐康明斯配件
- 197221空滤器箍带,用于康明斯NT85
- S604弹簧垫圈,用于康明斯NTA855-
- S1039A阳性管接头,用于康明斯KTA1
- S604弹簧垫圈,用于康明斯NTA855-
- 3200387油管卡箍,用于康明斯KTA1
- AS4012MS软管,用于康明斯NTA85
- 205492推杆,用于康明斯KTA19-P
- AR40230调速器传动柱塞,用于康明斯N
- 3418763燃油座,用于康明斯NT855
- 205345滚柱销,用于康明斯KTA19-
- AS10015SS软管,用于康明斯M11-
- 110266六角螺栓,用于康明斯KTA38
- 3165864接头,用于康明斯NTA855
- 3014766带垫螺栓,用于康明斯KTA1
- 104215跳动式开关,用于康明斯NTA8
- 【柴油机6CTA8.3-C260-?的机油
- 【油传输连接】康明斯CUMMINS柴油机的
- 3628895油封,用于康明斯KTA38-
- 【63223】直软管 用在康明斯柴油发动机
- 151489排气管,用于康明斯NTA855
- 67369软管,用于康明斯KTA19-C5
- 43828A软管卡箍,用于康明斯MTA11
- 63385隔套,用于康明斯NTCR-290
- 70897锁紧螺母,用于康明斯NT855-
- S125六角螺栓,用于康明斯KTA19-G

