基本参数

详细说明
打印本页
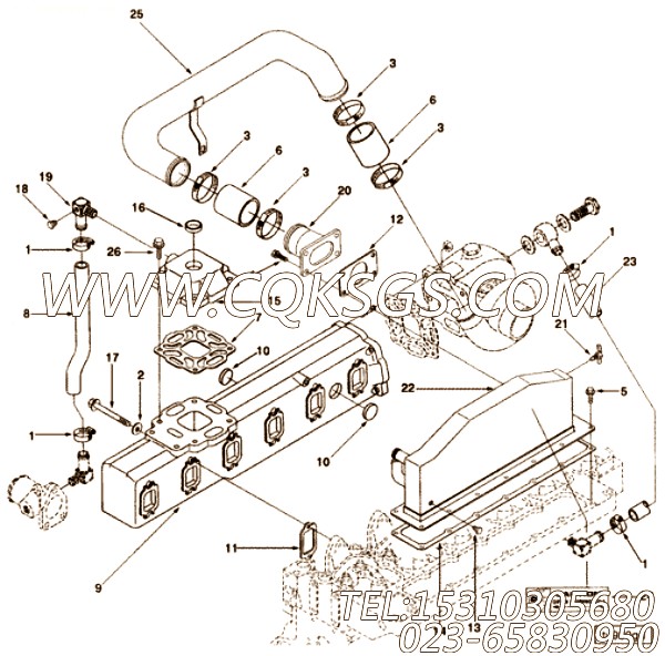
【排气歧管】康明斯CUMMINS柴油机的3904689 排气歧管
相关参数和图片:
| 研发时间 | 部分用途 | 产品名称 |
| 89年JUN | ISD4.5 CM2150,B5.9 LPG Plus CM556,G5.9,ISB 5.9 G CM2180,B4.5s,ISF3.8 CM2220 AN,ISB6.7 CM2250,B4.5 RGT,ISB CM800,QSB5.9-44 CM550,B5.9 G,G3.9,ISBe4 CM850,ISD6.7 CM2150,ISD6.7 CM2150 SN,QSB6.7 CM2250,QSB3.9-30 CM550,QSB5.9-30 CM550,B Gas Plus CM556,B6.7s,ISB CM2150,ISD4.5 CM2150 SN,ISB CM850,B LPG Plus CM556,B4.5,B3.9,ISF2.8 CM2220 AN,ISB6.7 CM2150 SN,QSB6.7 CM850,ISBe4 CM2150,G5.9 CM558,ISB6.7 CM2150 SQ,ISB4.5 CM2150 SN,ISB CM550,QSB5.9 CM850,B Gas International CM556,QSB4.5-30 CM550,ISBe CM800,ISBe5 CM2150 SN,QSB4.5 CM850,B5.9,ISBe CM850 | Manifold, Exhaust |
| ||
| 图号 | ID号 | 零件名称 | 一般装配量 | 销售(是/否) | 订购链接 |
| 23 | 3910578 | 平原软管 | 1 | 是 | 订购 |
| TB9087 | 涡轮增压器位置 | 否 | |||
| 1 | 210753 | 软管卡箍 | 4 | 是 | 订购 |
| 2 | 3009330 | 平垫圈 | 12 | 是 | 订购 |
| 3 | 3026396 | 软管卡箍 | 4 | 是 | 订购 |
| 4 | 3900631 | 六角法兰头螺丝 | 4 | 是 | 订购 |
| 5 | 3918108 | 六角法兰头螺丝 | 14 | 是 | 订购 |
| 6 | 3904422 | 平原软管 | 2 | 是 | 订购 |
| 7 | 3905033 | 涡轮增压器密封垫 | 1 | 是 | 订购 |
| 8 | 3905089 | 平原软管 | 1 | 是 | 订购 |
| 3905322 | 排气歧管 | 1 | 是 | 订购 | |
| 9 | 3904689 | 排气歧管 | 1 | 否 | |
| 10 | 3908092 | 膨胀塞 | 4 | 是 | 订购 |
| 11 | 3905443 | 排气歧管垫片 | 6 | 否 | |
| 12 | 3914856 | 接头密封垫 | 1 | 是 | 订购 |
| 13 | 3906619 | 管塞 | 1 | 是 | 订购 |
| 14 | 3907036 | 诠释歧管盖垫片 | 4 | 是 | 订购 |
| 3907165 | 南水北调连接 | 1 | 是 | 订购 | |
| 15 | 3904971 | 南水北调连接 | 1 | 否 | |
| 16 | 3007636 | 膨胀塞 | 1 | 是 | 订购 |
| 17 | 3907789 | 六角法兰头螺丝 | 12 | 是 | 订购 |
| 3908225 | 软管耦合 | 1 | 否 | ||
| 18 | 3906619 | 管塞 | 1 | 是 | 订购 |
| 19 | 3908221 | 弯头管耦合 | 1 | 是 | 订购 |
| 20 | 3914617 | 空气交叉连接 | 1 | 是 | 订购 |
| 21 | 3909394 | Draincock | 1 | 是 | 订购 |
| 22 | 3910282 | 中冷器 | 1 | 是 | 订购 |
| 24 | 3910778 | 贴花 | 1 | 是 | 订购 |
| 25 | 3914616 | 空气管 | 1 | 是 | 订购 |
| 26 | 3903112 | 六角法兰头螺丝 | 4 | 是 | 订购 |
客服中心
- 15042863601296015135
- 销售热线:023-65830950
- 传真号码:023-65830951
- 业务手机:15310305680
- 电子邮箱:foros@qq.com
栏目列表
推荐康明斯配件
- 3028281水管接头,用于康明斯NTA8
- 3049174输水管,用于康明斯NT855
- 3016627充电机,用于康明斯KTA38
- 3033822带垫圈螺栓,用于康明斯KTA
- 【排气阀】康明斯CUMMINS柴油机的38
- 210179曲轴齿轮键,用于康明斯NTA8
- 3819725抱箍,用于康明斯M11-C2
- 3418532气门从动杆总成,用于康明斯N
- 3018924接地线,用于康明斯NT855
- S600弹簧垫圈,用于康明斯NTA855-
- 3895830从动轴支架,用于康明斯M11
- S604弹簧垫圈,用于康明斯NTC-290
- 3895734抱箍,用于康明斯M11-C1
- 204493减振垫,用于康明斯KTA19-
- 3418519加机油口盖总成,用于康明斯K
- 3176618菱形定位销,用于康明斯KTA
- 207259曲轴齿轮,用于康明斯KTA19
- 3050692电磁开关,用于康明斯KTA1
- 3062483安装支架,用于康明斯KTA1
- 3039252机油盘联接体,用于康明斯KT
- 179903联接弯管,用于康明斯NTA85
- 191916顶杆,用于康明斯NTA855-
- 3035580柔性软管,用于康明斯KTA1
- 212161O型圈,用于康明斯NT855-
- 3165922六角螺栓,用于康明斯NTA8

