基本参数

详细说明
打印本页
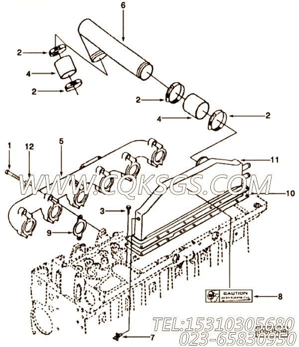
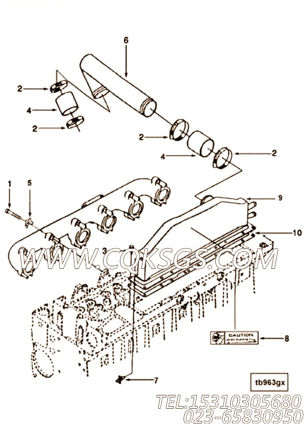
【空气管】康明斯CUMMINS柴油机的3907452 空气管
相关参数和图片:
| 研发时间 | 部分用途 | 产品名称 |
| 95年SEP | C8.3,ISC CM2150,6L8.9,ISC8.3 CM2250,ISL G CM2180,QSL9 CM2250,QSC8.3 CM554,ISL9 CM2250,QSL9 CM554,6C,QSL9 CM850,C Gas Plus CM556,C8.3G,G8.3,L Gas Plus CM556,ISC CM554,QSC8.3 CM2250,QSL9 G CM558,ISC CM850,ISL CM554,QSC8.3 CM850,ISL CM2150,ISL CM2150 SN,ISL CM850,GTA8.3 CM558 | Tube, Air |
| ||
| 图号 | ID号 | 零件名称 | 一般装配量 | 销售(是/否) | 订购链接 |
| TB9064-01 | 涡轮增压器位置 | 否 | |||
| 1 | 3929537 | 六角头螺栓 | 12 | 是 | 订购 |
| 2 | 3924386 | T螺栓钳 | 4 | 是 | 订购 |
| 3 | 3918109 | 六角法兰头螺丝 | 18 | 是 | 订购 |
| 4 | 3916437 | 平原软管 | 2 | 是 | 订购 |
| 5 | 3914708 | 锁片 | 12 | 是 | 订购 |
| 6 | 3907452 | 空气管 | 1 | 是 | 订购 |
| 7 | 3909394 | Draincock | 1 | 是 | 订购 |
| 8 | 3910778 | 贴花 | 1 | 是 | 订购 |
| 9 | 3914502 | 中冷器 | 1 | 是 | 订购 |
| 10 | 3914311 | 诠释歧管盖垫片 | 1 | 否 |
客服中心
- 15042863601296015135
- 销售热线:023-65830950
- 传真号码:023-65830951
- 业务手机:15310305680
- 电子邮箱:foros@qq.com
栏目列表
推荐康明斯配件
- 3067371软管,用于康明斯KTA38-
- S610弹簧垫圈,用于康明斯M11-C29
- 3038904摇臂轴,用于康明斯NT855
- 3165864接头,用于康明斯KTTA19
- 3015233温度表,用于康明斯NT855
- 3041136机油尺,用于康明斯KTA19
- S604弹簧垫圈,用于康明斯NT855-P
- 3012478带垫螺栓,用于康明斯KT19
- 3820667软管,用于康明斯M11-35
- 3010596带垫圈螺栓,用于康明斯KTA
- 3161771接头,用于康明斯M11-C3
- 206904半圆键,用于康明斯KT38-G
- 3037535接头,用于康明斯NT855-
- 205898O型密封圈,用于康明斯KTA1
- S106C六角螺栓,用于康明斯NTC-29
- 3008403吸油管衬垫,用于康明斯KTA
- 3008468管塞,用于康明斯M11-C2
- 3165835弯接头,用于康明斯NTA85
- 3410054水泵轴,用于康明斯KTA19
- 【柴油机6CTA8.3-C180的起动机组
- 129859弯接头,用于康明斯NTC-29
- S105六角螺栓,用于康明斯KT38-G-
- 【发动机ISDE200 30的飞轮壳组】
- 43828A软管卡箍,用于康明斯NTA85
- 3032787O型密封圈,用于康明斯M11

