基本参数

详细说明
打印本页
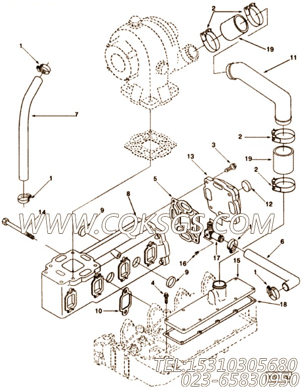
【进气歧管盖】康明斯CUMMINS柴油机的3908082 进气歧管盖
相关参数和图片:
| 研发时间 | 部分用途 | 产品名称 |
| 95年JAN | ISD4.5 CM2150,B5.9 LPG Plus CM556,G5.9,ISB 5.9 G CM2180,B4.5s,ISF3.8 CM2220 AN,ISB6.7 CM2250,B4.5 RGT,ISB CM800,QSB5.9-44 CM550,B5.9 G,G3.9,ISBe4 CM850,ISD6.7 CM2150,ISD6.7 CM2150 SN,QSB6.7 CM2250,QSB3.9-30 CM550,QSB5.9-30 CM550,B Gas Plus CM556,B6.7s,ISB CM2150,ISD4.5 CM2150 SN,ISB CM850,B LPG Plus CM556,B4.5,B3.9,ISF2.8 CM2220 AN,ISB6.7 CM2150 SN,QSB6.7 CM850,ISBe4 CM2150,G5.9 CM558,ISB6.7 CM2150 SQ,ISB4.5 CM2150 SN,ISB CM550,QSB5.9 CM850,B Gas International CM556,QSB4.5-30 CM550,ISBe CM800,ISBe5 CM2150 SN,QSB4.5 CM850,B5.9,ISBe CM850 | Cover, Intake Manifold |
| ||
| 图号 | ID号 | 零件名称 | 一般装配量 | 销售(是/否) | 订购链接 |
| TB9030-02 | 涡轮增压器位置 | 否 | |||
| 1 | 210753 | 软管卡箍 | 4 | 是 | 订购 |
| 2 | 3016666 | T螺栓钳 | 4 | 是 | 订购 |
| 3 | 3902460 | 六角法兰头螺丝 | 4 | 是 | 订购 |
| 4 | 3918109 | 六角法兰头螺丝 | 8 | 是 | 订购 |
| 5 | 3916300 | 涡轮增压器密封垫 | 1 | 是 | 订购 |
| 6 | 3905034 | 平原软管 | 1 | 是 | 订购 |
| 7 | 3905082 | 平原软管 | 1 | 是 | 订购 |
| 3920941 | 排气歧管 | 1 | 是 | 订购 | |
| 8 | 3920940 | 排气歧管 | 1 | 是 | 订购 |
| 9 | 3908092 | 膨胀塞 | 5 | 是 | 订购 |
| 10 | 3905443 | 排气歧管垫片 | 4 | 否 | |
| 11 | 3906623 | 空气管 | 1 | 是 | 订购 |
| 3920946 | 南水北调连接 | 1 | 是 | 订购 | |
| 12 | 3007636 | 膨胀塞 | 1 | 是 | 订购 |
| 13 | 3920945 | 南水北调连接 | 1 | 否 | |
| 14 | 3916518 | 六角法兰头螺丝 | 8 | 是 | 订购 |
| 15 | 3908082 | 进气歧管盖 | 1 | 是 | 订购 |
| 3908225 | 软管耦合 | 否 | |||
| 16 | 3906619 | 管塞 | 1 | 是 | 订购 |
| 17 | 3908221 | 弯头管耦合 | 1 | 是 | 订购 |
| 18 | 3914028 | 诠释歧管盖垫片 | 1 | 是 | 订购 |
| 19 | 3916438 | 平原软管 | 2 | 是 | 订购 |
客服中心
- 15042863601296015135
- 销售热线:023-65830950
- 传真号码:023-65830951
- 业务手机:15310305680
- 电子邮箱:foros@qq.com
栏目列表
推荐康明斯配件
- 70897锁紧螺母,用于康明斯KTA19-
- 3028291O型密封圈,用于康明斯KTA
- 205128平垫圈,用于康明斯KTTA19
- 148582定位销,用于康明斯KTA38-
- 108172O型密封圈,用于康明斯KTA1
- 3046201O型圈,用于康明斯KTA38
- 3010595带垫螺栓,用于康明斯KTA1
- 127018平垫圈,用于康明斯KTA19-
- 3001340O型密封圈,用于康明斯KTA
- 3056356报警器导线,用于康明斯M11
- 【发动机6LTAA8.9-GM200的起动
- 3007111正时盘轮毂,用于康明斯KTA
- 3085824阳性接头,用于康明斯M11-
- 3818844接头衬垫,用于康明斯M11-
- 3418522摇臂室,用于康明斯NTA85
- AS4015MS软管,用于康明斯NYA85
- 3013904带垫螺拴,用于康明斯NT85
- 109080O型密封圈,用于康明斯M11-
- 3046869放油塞,用于康明斯KTTA1
- 43828A软管卡箍,用于康明斯KTA38
- 3007634碗型塞,用于康明斯NT855
- S600弹簧垫圈,用于康明斯NTC-290
- 3889310机油滤清器29,用于康明斯K
- 【108722】夹子 用在康明斯发动机
- S610弹簧垫圈,用于康明斯KTA38-G

