基本参数

详细说明
打印本页
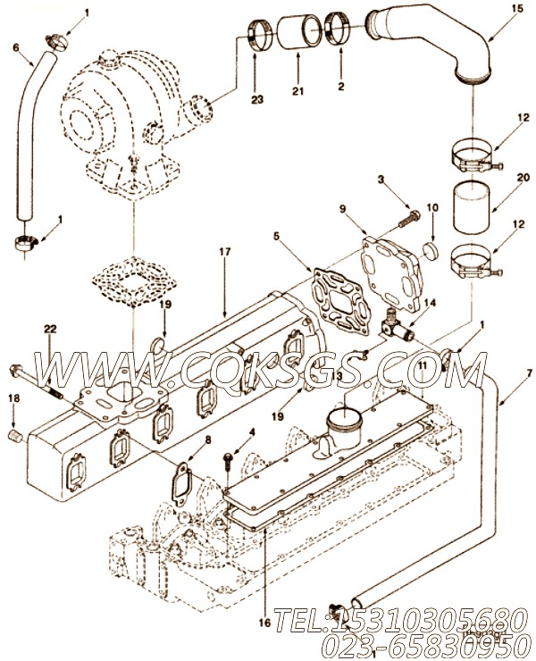
【肘软管接头】康明斯CUMMINS柴油机的3912017 肘软管接头
相关参数和图片:
| 研发时间 | 部分用途 | 产品名称 |
| 90年MAY | ISD4.5 CM2150,B5.9 LPG Plus CM556,G5.9,ISB 5.9 G CM2180,B4.5s,ISF3.8 CM2220 AN,ISB6.7 CM2250,B4.5 RGT,ISB CM800,QSB5.9-44 CM550,B5.9 G,G3.9,ISBe4 CM850,ISD6.7 CM2150,ISD6.7 CM2150 SN,QSB6.7 CM2250,QSB3.9-30 CM550,QSB5.9-30 CM550,B Gas Plus CM556,B6.7s,ISB CM2150,ISD4.5 CM2150 SN,ISB CM850,B LPG Plus CM556,B4.5,B3.9,ISF2.8 CM2220 AN,ISB6.7 CM2150 SN,QSB6.7 CM850,ISBe4 CM2150,G5.9 CM558,ISB6.7 CM2150 SQ,ISB4.5 CM2150 SN,ISB CM550,QSB5.9 CM850,B Gas International CM556,QSB4.5-30 CM550,ISBe CM800,ISBe5 CM2150 SN,QSB4.5 CM850,B5.9,ISBe CM850 | Coupling, Elbow Hose |
| ||
| 图号 | ID号 | 零件名称 | 一般装配量 | 销售(是/否) | 订购链接 |
| TB9031 | 涡轮增压器位置 | 否 | |||
| 3920951 | 排气歧管 | 1 | 是 | 订购 | |
| 1 | 210753 | 软管卡箍 | 4 | 是 | 订购 |
| 2 | 3008690 | 软管卡箍 | 1 | 是 | 订购 |
| 3 | 3902460 | 六角法兰头螺丝 | 4 | 是 | 订购 |
| 4 | 3918109 | 六角法兰头螺丝 | 12 | 是 | 订购 |
| 5 | 3916300 | 涡轮增压器密封垫 | 1 | 是 | 订购 |
| 6 | 3905034 | 平原软管 | 1 | 是 | 订购 |
| 7 | 3905082 | 平原软管 | 1 | 是 | 订购 |
| 8 | 3905443 | 排气歧管垫片 | 6 | 否 | |
| 3920946 | 南水北调连接 | 1 | 是 | 订购 | |
| 9 | 3920945 | 南水北调连接 | 1 | 否 | |
| 10 | 3007636 | 膨胀塞 | 3 | 是 | 订购 |
| 11 | 3908086 | 进气歧管盖 | 1 | 是 | 订购 |
| 12 | 3911732 | T螺栓钳 | 2 | 是 | 订购 |
| 3912017 | 弯头管耦合 | 1 | 否 | ||
| 13 | S 962 E | Draincock | 1 | 是 | 订购 |
| 14 | 3908221 | 弯头管耦合 | 1 | 是 | 订购 |
| 15 | 3912023 | 空气管 | 1 | 是 | 订购 |
| 16 | 3914029 | 诠释歧管盖垫片 | 1 | 是 | 订购 |
| 17 | 3920950 | 排气歧管 | 1 | 是 | 订购 |
| 18 | S 915 A | 管塞 | 5 | 是 | 订购 |
| 19 | 3908092 | 膨胀塞 | 3 | 是 | 订购 |
| 20 | 3916437 | 平原软管 | 1 | 是 | 订购 |
| 21 | 3916438 | 平原软管 | 1 | 是 | 订购 |
| 22 | 3916518 | 六角法兰头螺丝 | 12 | 是 | 订购 |
| 23 | 3016666 | T螺栓钳 | 1 | 是 | 订购 |
客服中心
- 15042863601296015135
- 销售热线:023-65830950
- 传真号码:023-65830951
- 业务手机:15310305680
- 电子邮箱:foros@qq.com
栏目列表
推荐康明斯配件
- 157551法兰衬垫,用于康明斯NTA85
- 69901管塞,用于康明斯NTA855-P
- S603弹簧垫圈,用于康明斯M11-C31
- 158826联轴节,用于康明斯KT38-M
- 205128平垫圈,用于康明斯KTA38-
- 3008469管塞,用于康明斯NT855-
- S622平垫圈,用于康明斯KTA19-G4
- 3026806抱箍,用于康明斯NT855-
- 196282进气管,用于康明斯NTC-29
- S955异径管衬套,用于康明斯NTA855
- 3003755吸油管支架,用于康明斯KTA
- S602平垫圈,用于康明斯KTA19-G4
- 3001280挡圈,用于康明斯NTA855
- 206881十二角螺栓,用于康明斯KTA1
- 165658机油导管,用于康明斯M11-C
- 3331668冷却器芯,用于康明斯KTA1
- 127362平垫圈,用于康明斯KTA19-
- AS6036SS软管,用于康明斯NTC-2
- 170664平垫圈,用于康明斯NTA855
- S609弹簧垫圈,用于康明斯NTA855-
- 3025460管塞,用于康明斯KTA19-
- 3202240气缸套,用于康明斯KTA19
- S602平垫圈,用于康明斯KTA19-G4
- 204493减振垫,用于康明斯KTA19-
- 【引擎ISBE220 31的性能件组】 康

