基本参数

详细说明
打印本页
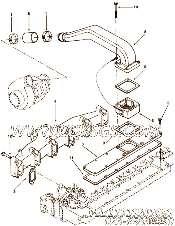
【空气交叉连接】康明斯CUMMINS柴油机的3914067 空气交叉连接
相关参数和图片:
| 研发时间 | 部分用途 | 产品名称 |
| 90年DEC | ISD4.5 CM2150,B5.9 LPG Plus CM556,G5.9,ISB 5.9 G CM2180,B4.5s,ISF3.8 CM2220 AN,ISB6.7 CM2250,B4.5 RGT,ISB CM800,QSB5.9-44 CM550,B5.9 G,G3.9,ISBe4 CM850,ISD6.7 CM2150,ISD6.7 CM2150 SN,QSB6.7 CM2250,QSB3.9-30 CM550,QSB5.9-30 CM550,B Gas Plus CM556,B6.7s,ISB CM2150,ISD4.5 CM2150 SN,ISB CM850,B LPG Plus CM556,B4.5,B3.9,ISF2.8 CM2220 AN,ISB6.7 CM2150 SN,QSB6.7 CM850,ISBe4 CM2150,G5.9 CM558,ISB6.7 CM2150 SQ,ISB4.5 CM2150 SN,ISB CM550,QSB5.9 CM850,B Gas International CM556,QSB4.5-30 CM550,ISBe CM800,ISBe5 CM2150 SN,QSB4.5 CM850,B5.9,ISBe CM850 | Connection, Air Crossover |
| ||
| 图号 | ID号 | 零件名称 | 一般装配量 | 销售(是/否) | 订购链接 |
| TB9098-01 | 涡轮增压器位置 | 否 | |||
| 1 | 3033033 | 软管卡箍 | 2 | 是 | 订购 |
| 2 | 3918109 | 六角法兰头螺丝 | 8 | 是 | 订购 |
| 3 | 3905443 | 排气歧管垫片 | 6 | 否 | |
| 4 | 3911349 | 排气歧管 | 1 | 是 | 订购 |
| 5 | 3916168 | 平原软管 | 1 | 是 | 订购 |
| 6 | 3913348 | 维修热水器 | 1 | 是 | 订购 |
| 7 | 3913349 | 进气歧管盖 | 1 | 是 | 订购 |
| 8 | 3914067 | 空气交叉连接 | 1 | 是 | 订购 |
| 9 | 3913352 | 接头密封垫 | 1 | 否 | |
| 10 | 3919995 | 六角法兰头螺丝 | 4 | 是 | 订购 |
| 11 | 3914029 | 诠释歧管盖垫片 | 1 | 是 | 订购 |
| 12 | 3901448 | 六角法兰头螺丝 | 12 | 是 | 订购 |
客服中心
- 15042863601296015135
- 销售热线:023-65830950
- 传真号码:023-65830951
- 业务手机:15310305680
- 电子邮箱:foros@qq.com
栏目列表
推荐康明斯配件
- S113六角螺栓,用于康明斯KTA19-P
- 3008468管塞,用于康明斯M11-31
- S609弹簧垫圈,用于康明斯KTA19-G
- 179912软管,用于康明斯NTA855-
- S600弹簧垫圈,用于康明斯NT855-L
- 3022474水泵总成,用于康明斯NT85
- 3200069单向阀支架,用于康明斯KTA
- S610弹簧垫圈,用于康明斯KTA38-G
- S126六角螺栓,用于康明斯KT38-G-
- 【引擎4BT3.9-C100的发电机驱动件
- 3042890螺栓,用于康明斯KTA19-
- 204493减振垫,用于康明斯NTA855
- 3262175基础燃油泵,用于康明斯NT8
- 3046203附件驱动皮带轮,用于康明斯I
- 43828A软管卡箍,用于康明斯NTA85
- S604弹簧垫圈,用于康明斯KTA38-G
- 3010595带垫螺栓,用于康明斯NTA8
- S104六角螺栓,用于康明斯NT855-C
- 3084533惰齿轮,用于康明斯M11-C
- 105199槽销,用于康明斯NTA855-
- 3021038起动马达,用于康明斯KTA1
- 108722夹箍,用于康明斯NTA855-
- 137890六角螺栓,用于康明斯KTA19
- S610弹簧垫圈,用于康明斯KTA19-M
- 3262175基础燃油泵,用于康明斯NTA

