基本参数

详细说明
打印本页
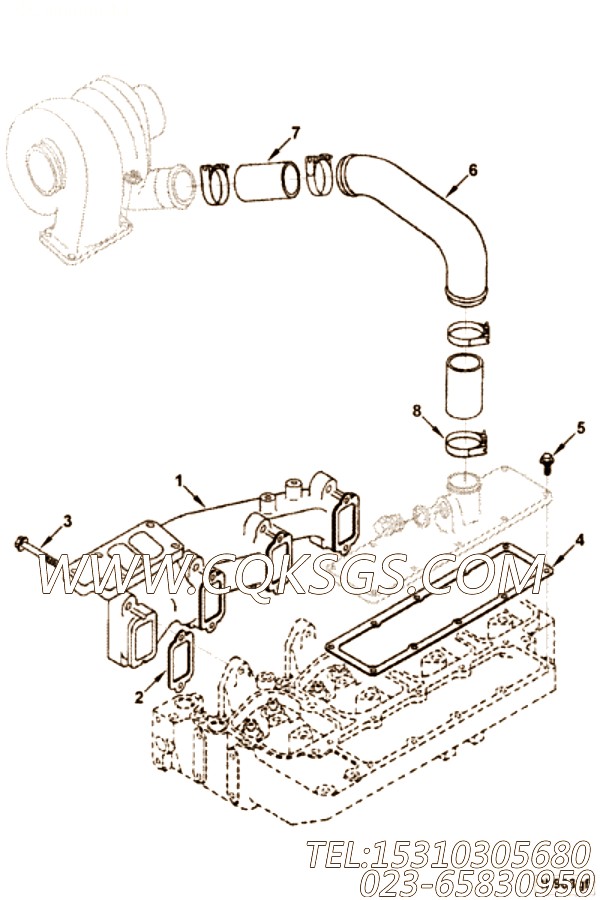
【空气管】康明斯CUMMINS柴油机的3914554 空气管
相关参数和图片:
| 研发时间 | 部分用途 | 产品名称 |
| 97年FEB | ISD4.5 CM2150,B5.9 LPG Plus CM556,G5.9,ISB 5.9 G CM2180,B4.5s,ISF3.8 CM2220 AN,ISB6.7 CM2250,B4.5 RGT,ISB CM800,QSB5.9-44 CM550,B5.9 G,G3.9,ISBe4 CM850,ISD6.7 CM2150,ISD6.7 CM2150 SN,QSB6.7 CM2250,QSB3.9-30 CM550,QSB5.9-30 CM550,B Gas Plus CM556,B6.7s,ISB CM2150,ISD4.5 CM2150 SN,ISB CM850,B LPG Plus CM556,B4.5,B3.9,ISF2.8 CM2220 AN,ISB6.7 CM2150 SN,QSB6.7 CM850,ISBe4 CM2150,G5.9 CM558,ISB6.7 CM2150 SQ,ISB4.5 CM2150 SN,ISB CM550,QSB5.9 CM850,B Gas International CM556,QSB4.5-30 CM550,ISBe CM800,ISBe5 CM2150 SN,QSB4.5 CM850,B5.9,ISBe CM850 | Tube, Air |
| ||
| 图号 | ID号 | 零件名称 | 一般装配量 | 销售(是/否) | 订购链接 |
| TB9049 | 涡轮增压器位置 | 否 | |||
| 1 | 3901919 | 排气歧管 | 1 | 是 | 订购 |
| 2 | 3905443 | 排气歧管垫片 | 4 | 否 | |
| 3 | 3901448 | 六角法兰头螺丝 | 8 | 是 | 订购 |
| 4 | 3931605 | 诠释歧管盖垫片 | 1 | 是 | 订购 |
| 5 | 3918109 | 六角法兰头螺丝 | 8 | 是 | 订购 |
| 6 | 3914554 | 空气管 | 1 | 是 | 订购 |
| 7 | 3916166 | 平原软管 | 2 | 是 | 订购 |
| 8 | 3033033 | 软管卡箍 | 4 | 是 | 订购 |
客服中心
- 15042863601296015135
- 销售热线:023-65830950
- 传真号码:023-65830951
- 业务手机:15310305680
- 电子邮箱:foros@qq.com
栏目列表
推荐康明斯配件
- 69324平垫圈,用于康明斯M11-C22
- 70772园头带槽及带垫螺栓,用于康明斯N
- 【配件齿轮传动】康明斯CUMMINS柴油机
- 【套件和组件】康明斯CUMMINS柴油机的
- S603弹簧垫圈,用于康明斯NTC-400
- 3608833曲轴,用于康明斯NTA855
- 204493减振垫,用于康明斯NTA855
- 68645阳性连接弯管,用于康明斯NTA8
- 3165998放水开关,用于康明斯KTA3
- 3030514弯管,用于康明斯KTA38-
- 60408定位销,用于康明斯NTA855-
- 43828A软管卡箍,用于康明斯NTA85
- 152546空气进气管外螺纹接头,用于康明
- 【柴油机4BTAA3.9-C110的信号发
- S610弹簧垫圈,用于康明斯M11-C29
- 3008466管塞,用于康明斯M11-31
- S610弹簧垫圈,用于康明斯NTC-400
- 3070175丁字压板,用于康明斯M11-
- 3070393螺栓,用于康明斯M11-C3
- S106六角螺栓,用于康明斯NT855-P
- 3161771接头,用于康明斯M11-C3
- 3008468管塞,用于康明斯NTA855
- 【缸套套件】康明斯CUMMINS柴油机的3
- 【Potentiomete】康明斯CUMM
- 142486通风管,用于康明斯NTA855

