基本参数

详细说明
打印本页
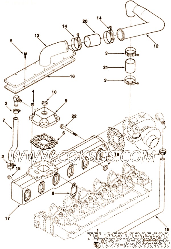
【排气歧管】康明斯CUMMINS柴油机的3914970 排气歧管
相关参数和图片:
| 研发时间 | 部分用途 | 产品名称 |
| 89年OCT | ISD4.5 CM2150,B5.9 LPG Plus CM556,G5.9,ISB 5.9 G CM2180,B4.5s,ISF3.8 CM2220 AN,ISB6.7 CM2250,B4.5 RGT,ISB CM800,QSB5.9-44 CM550,B5.9 G,G3.9,ISBe4 CM850,ISD6.7 CM2150,ISD6.7 CM2150 SN,QSB6.7 CM2250,QSB3.9-30 CM550,QSB5.9-30 CM550,B Gas Plus CM556,B6.7s,ISB CM2150,ISD4.5 CM2150 SN,ISB CM850,B LPG Plus CM556,B4.5,B3.9,ISF2.8 CM2220 AN,ISB6.7 CM2150 SN,QSB6.7 CM850,ISBe4 CM2150,G5.9 CM558,ISB6.7 CM2150 SQ,ISB4.5 CM2150 SN,ISB CM550,QSB5.9 CM850,B Gas International CM556,QSB4.5-30 CM550,ISBe CM800,ISBe5 CM2150 SN,QSB4.5 CM850,B5.9,ISBe CM850 | Manifold, Exhaust |
| ||
| 图号 | ID号 | 零件名称 | 一般装配量 | 销售(是/否) | 订购链接 |
| TB9079 | 涡轮增压器位置 | 否 | |||
| 1 | 43828 A | 软管卡箍 | 2 | 是 | 订购 |
| 2 | 210753 | 软管卡箍 | 2 | 是 | 订购 |
| 3 | 3016666 | T螺栓钳 | 1 | 是 | 订购 |
| 4 | 3818824 | 六角法兰螺母 | 4 | 是 | 订购 |
| 5 | 3918109 | 六角法兰头螺丝 | 12 | 是 | 订购 |
| 6 | 3916300 | 涡轮增压器密封垫 | 1 | 是 | 订购 |
| 7 | 3905089 | 平原软管 | 1 | 是 | 订购 |
| 8 | 3905443 | 排气歧管垫片 | 6 | 否 | |
| 3907165 | 南水北调连接 | 1 | 是 | 订购 | |
| 9 | 3904971 | 南水北调连接 | 1 | 否 | |
| 10 | 3007636 | 膨胀塞 | 1 | 是 | 订购 |
| 11 | 3907978 | ~B]Vy~ | 4 | 是 | 订购 |
| 12 | 3910331 | 空气管 | 1 | 是 | 订购 |
| 13 | 3910333 | 进气歧管盖 | 1 | 是 | 订购 |
| 14 | 3911732 | T螺栓钳 | 1 | 是 | 订购 |
| 15 | 3914025 | 平原软管 | 2 | 是 | 订购 |
| 16 | 3914029 | 诠释歧管盖垫片 | 1 | 是 | 订购 |
| 3914970 | 排气歧管 | 1 | 是 | 订购 | |
| 17 | 3914969 | 排气歧管 | 1 | 是 | 订购 |
| 18 | S 915 A | 管塞 | 5 | 是 | 订购 |
| 19 | 3908092 | 膨胀塞 | 3 | 是 | 订购 |
| 20 | 3916437 | 平原软管 | 1 | 是 | 订购 |
| 21 | 3916438 | 平原软管 | 1 | 是 | 订购 |
| 22 | 3916518 | 六角法兰头螺丝 | 12 | 是 | 订购 |
客服中心
- 15042863601296015135
- 销售热线:023-65830950
- 传真号码:023-65830951
- 业务手机:15310305680
- 电子邮箱:foros@qq.com
栏目列表
推荐康明斯配件
- 205269挡圈,用于康明斯KT38-G柴
- 178708风扇皮带,用于康明斯NTA85
- 68645阳性连接弯管,用于康明斯NTA8
- S113六角螺栓,用于康明斯NTA855-
- S622平垫圈,用于康明斯KT38-P78
- 3037662阳性弯接头,用于康明斯M11
- 69324平垫圈,用于康明斯NTA855-
- 3015282带垫螺栓,用于康明斯NTA8
- 3025152软管,用于康明斯M11-C3
- 3038076带垫螺栓,用于康明斯NT85
- S622平垫圈,用于康明斯KTA38-G2
- 3051035出水接头,用于康明斯NTA8
- 3011076O型密封圈,用于康明斯KTA
- S125六角螺栓,用于康明斯KTA38-G
- 132770衬套,用于康明斯KTA19-M
- S604弹簧垫圈,用于康明斯KT38-G动
- 3014103挡圈,用于康明斯NTA855
- 129859弯接头,用于康明斯KTA19-
- 3008466管塞,用于康明斯NTA855
- 3016627交流发电机,用于康明斯NTA
- 206590主轴承,用于康明斯KTA38-
- S603弹簧垫圈,用于康明斯KT38-G-
- 【机油冷却器】康明斯CUMMINS柴油机的
- S2286自攻螺钉,用于康明斯NTA855
- 3013786管塞,用于康明斯NT855-

