基本参数

详细说明
打印本页
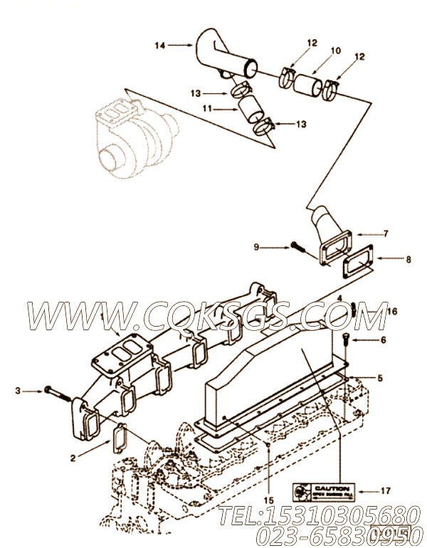
【排气歧管】康明斯CUMMINS柴油机的3916345 排气歧管
相关参数和图片:
| 研发时间 | 部分用途 | 产品名称 |
| 90年OCT | ISD4.5 CM2150,B5.9 LPG Plus CM556,G5.9,ISB 5.9 G CM2180,B4.5s,ISF3.8 CM2220 AN,ISB6.7 CM2250,B4.5 RGT,ISB CM800,QSB5.9-44 CM550,B5.9 G,G3.9,ISBe4 CM850,ISD6.7 CM2150,ISD6.7 CM2150 SN,QSB6.7 CM2250,QSB3.9-30 CM550,QSB5.9-30 CM550,B Gas Plus CM556,B6.7s,ISB CM2150,ISD4.5 CM2150 SN,ISB CM850,B LPG Plus CM556,B4.5,B3.9,ISF2.8 CM2220 AN,ISB6.7 CM2150 SN,QSB6.7 CM850,ISBe4 CM2150,G5.9 CM558,ISB6.7 CM2150 SQ,ISB4.5 CM2150 SN,ISB CM550,QSB5.9 CM850,B Gas International CM556,QSB4.5-30 CM550,ISBe CM800,ISBe5 CM2150 SN,QSB4.5 CM850,B5.9,ISBe CM850 | Manifold, Exhaust |
| ||
| 图号 | ID号 | 零件名称 | 一般装配量 | 销售(是/否) | 订购链接 |
| TB9167 | 涡轮增压器位置 | 否 | |||
| 1 | 3901448 | 六角法兰头螺丝 | 12 | 是 | 订购 |
| 2 | 3916345 | 排气歧管 | 1 | 是 | 订购 |
| 3 | 3905443 | 排气歧管垫片 | 6 | 否 | |
| 4 | 3914029 | 诠释歧管盖垫片 | 1 | 是 | 订购 |
| 5 | 3918109 | 六角法兰头螺丝 | 10 | 是 | 订购 |
| 6 | 3920551 | 进气歧管盖 | 1 | 是 | 订购 |
客服中心
- 15042863601296015135
- 销售热线:023-65830950
- 传真号码:023-65830951
- 业务手机:15310305680
- 电子邮箱:foros@qq.com
栏目列表
推荐康明斯配件
- 137872六角螺栓,用于康明斯KTA19
- S602平垫圈,用于康明斯NTA855-G
- 3166107滤清器使用说明书,用于康明斯
- 3046943O型密封圈,用于康明斯NT8
- 3034953断电器,用于康明斯KTA38
- 【后冷的核心】康明斯CUMMINS柴油机的
- S610弹簧垫圈,用于康明斯KTA38-G
- 3175623抱箍,用于康明斯NTA855
- 205289出水接头衬垫,用于康明斯KTA
- 3035083减振垫,用于康明斯KTA19
- 3016734辅助驱动装置,用于康明斯KT
- 3418660凸轮从动件总成,用于康明斯N
- AS401440SS回油软管,用于康明斯K
- 8306园柱销,用于康明斯KTA38-G5
- 【引擎6CTA8.3-C230的水滤清器位
- S604弹簧垫圈,用于康明斯NTA855-
- 3418529气缸盖,用于康明斯NTA85
- S169A六角螺栓,用于康明斯KTA19-
- 【引擎6CT8.3-GM129的增压器排气
- 【柴油机6CTA8.3-C230-?的加机
- 3041247平垫圈,用于康明斯M11R-
- 【柴油机6CTA8.3-C260的输油泵组
- 3044929回油管,用于康明斯NT855
- 【套件和组件】康明斯CUMMINS柴油机的
- 67185软管,用于康明斯NTC-290主

