基本参数

详细说明
打印本页
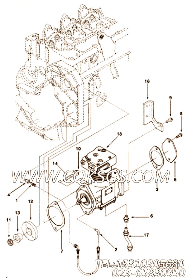
【空气压缩机支撑】康明斯CUMMINS柴油机的3919498 空气压缩机支撑
相关参数和图片:
| 研发时间 | 部分用途 | 产品名称 |
| 91年OCT | ISD4.5 CM2150,B5.9 LPG Plus CM556,G5.9,ISB 5.9 G CM2180,B4.5s,ISF3.8 CM2220 AN,ISB6.7 CM2250,B4.5 RGT,ISB CM800,QSB5.9-44 CM550,B5.9 G,G3.9,ISBe4 CM850,ISD6.7 CM2150,ISD6.7 CM2150 SN,QSB6.7 CM2250,QSB3.9-30 CM550,QSB5.9-30 CM550,B Gas Plus CM556,B6.7s,ISB CM2150,ISD4.5 CM2150 SN,ISB CM850,B LPG Plus CM556,B4.5,B3.9,ISF2.8 CM2220 AN,ISB6.7 CM2150 SN,QSB6.7 CM850,ISBe4 CM2150,G5.9 CM558,ISB6.7 CM2150 SQ,ISB4.5 CM2150 SN,ISB CM550,QSB5.9 CM850,B Gas International CM556,QSB4.5-30 CM550,ISBe CM800,ISBe5 CM2150 SN,QSB4.5 CM850,B5.9,ISBe CM850 | Brace, Air Compressor |
| ||
| 图号 | ID号 | 零件名称 | 一般装配量 | 销售(是/否) | 订购链接 |
| CP9080 | 空气压缩机 | 否 | |||
| 1 | 68138 | 公连接器 | 1 | 是 | 订购 |
| 2 | 68139 | 阳性适配器弯头 | 1 | 是 | 订购 |
| 3 | 154916 | 液压泵垫片 | 1 | 是 | 订购 |
| 4 | 187368 | 平原适配器 | 1 | 是 | 订购 |
| 5 | 204048 | 盖板 | 1 | 是 | 订购 |
| 6 | 204994 | 公连接器 | 2 | 是 | 订购 |
| 7 | 3008400 | 液压泵垫片 | 1 | 是 | 订购 |
| 8 | 3902114 | 六角法兰头螺丝 | 2 | 是 | 订购 |
| 9 | 3902460 | 六角法兰头螺丝 | 1 | 是 | 订购 |
| 10 | 3903210 | 六角法兰螺母 | 2 | 是 | 订购 |
| 11 | 3903269 | 六角法兰螺母 | 1 | 是 | 订购 |
| 3909381 | Gear & Hub | 1 | 是 | 订购 | |
| 12 | 3902595 | 传动配件齿轮 | 1 | 是 | 订购 |
| 13 | 3909380 | 附件驱动集线器 | 1 | 否 | |
| 14 | 3913370 | ~B]Vy~ | 2 | 是 | 订购 |
| 15 | 3918536 | 柔性软管 | 1 | 是 | 订购 |
| 16 | 3919498 | 空气压缩机梅开二度 | 1 | 是 | 订购 |
| 17 | 3919500 | 滑油漏管 | 1 | 是 | 订购 |
| 18 | 3919882 | 空气压缩机 | 1 | 是 | 订购 |
客服中心
- 15042863601296015135
- 销售热线:023-65830950
- 传真号码:023-65830951
- 业务手机:15310305680
- 电子邮箱:foros@qq.com
栏目列表
推荐康明斯配件
- S604弹簧垫圈,用于康明斯NTCR-29
- 3049555小时计和转速表,用于康明斯N
- 3251035发电机皮带轮,用于康明斯NT
- 108172O型密封圈,用于康明斯M11R
- 179913普通软管,用于康明斯NTCR-
- 3010595带垫螺栓,用于康明斯KTA1
- 3066882凸轮轴,用于康明斯NG4发动
- 63223软管,用于康明斯KTA38-C1
- 【发动机L345 20的信号发生装置】 康
- 153581十二角螺栓,用于康明斯NTA8
- 68193管塞,用于康明斯KT38-P78
- 3166135M11系列发动机维修手册,用
- S603弹簧垫圈,用于康明斯KTA19-P
- 101322加油口盖,用于康明斯M11-C
- 3627697阳性管接头,用于康明斯KTA
- 3821836调节杆,用于康明斯M11-C
- 3165835弯接头,用于康明斯NT855
- 【柴油机6LTAA8.9-C325的增压器
- 205059平垫圈,用于康明斯KTA38-
- 203555排气波纹管,用于康明斯NT85
- 179912软管,用于康明斯NTA855-
- 【发动机6LTAA8.8-C315的温度开
- S604弹簧垫圈,用于康明斯KT38-G-
- 67185软管,用于康明斯NTA855-G
- S604弹簧垫圈,用于康明斯KTA38-P

