基本参数

详细说明
打印本页
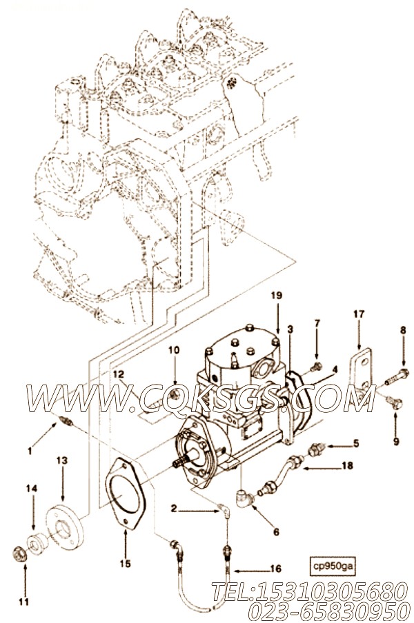
【空气压缩机】康明斯CUMMINS柴油机的3923625 空气压缩机
相关参数和图片:
| 研发时间 | 部分用途 | 产品名称 |
| 92年NOV | ISD4.5 CM2150,B5.9 LPG Plus CM556,G5.9,ISB 5.9 G CM2180,B4.5s,ISF3.8 CM2220 AN,ISB6.7 CM2250,B4.5 RGT,ISB CM800,QSB5.9-44 CM550,B5.9 G,G3.9,ISBe4 CM850,ISD6.7 CM2150,ISD6.7 CM2150 SN,QSB6.7 CM2250,QSB3.9-30 CM550,QSB5.9-30 CM550,B Gas Plus CM556,B6.7s,ISB CM2150,ISD4.5 CM2150 SN,ISB CM850,B LPG Plus CM556,B4.5,B3.9,ISF2.8 CM2220 AN,ISB6.7 CM2150 SN,QSB6.7 CM850,ISBe4 CM2150,G5.9 CM558,ISB6.7 CM2150 SQ,ISB4.5 CM2150 SN,ISB CM550,QSB5.9 CM850,B Gas International CM556,QSB4.5-30 CM550,ISBe CM800,ISBe5 CM2150 SN,QSB4.5 CM850,B5.9,ISBe CM850 | Compressor, Air |
| ||
| 图号 | ID号 | 零件名称 | 一般装配量 | 销售(是/否) | 订购链接 |
| CP9113 | 空气压缩机 | 否 | |||
| 1 | 68138 | 公连接器 | 1 | 是 | 订购 |
| 2 | 68139 | 阳性适配器弯头 | 1 | 是 | 订购 |
| 3 | 3004242 | 液压泵垫片 | 1 | 否 | |
| 4 | 204048 | 盖板 | 1 | 是 | 订购 |
| 5 | 204994 | 公连接器 | 1 | 是 | 订购 |
| 6 | 204995 | 阳性适配器弯头 | 1 | 是 | 订购 |
| 7 | 3902460 | 六角法兰头螺丝 | 1 | 是 | 订购 |
| 8 | 3903464 | 六角法兰头螺丝 | 1 | 是 | 订购 |
| 9 | 3901249 | 六角法兰头螺丝 | 2 | 是 | 订购 |
| 10 | 3902692 | 正六角螺母 | 2 | 是 | 订购 |
| 11 | 3903269 | 六角法兰螺母 | 1 | 是 | 订购 |
| 12 | 3904513 | ~B]Vy~ | 2 | 是 | 订购 |
| 3909381 | Gear & Hub | 1 | 是 | 订购 | |
| 13 | 3902595 | 传动配件齿轮 | 1 | 是 | 订购 |
| 14 | 3909380 | 附件驱动集线器 | 1 | 否 | |
| 15 | 3916042 | 液压泵垫片 | 1 | 是 | 订购 |
| 16 | 3918536 | 柔性软管 | 1 | 是 | 订购 |
| 17 | 3921547 | 空气压缩机梅开二度 | 1 | 是 | 订购 |
| 18 | 3910053 | 压缩机换油管 | 1 | 是 | 订购 |
| 19 | 3923625 | 空气压缩机 | 1 | 是 | 订购 |
客服中心
- 15042863601296015135
- 销售热线:023-65830950
- 传真号码:023-65830951
- 业务手机:15310305680
- 电子邮箱:foros@qq.com
栏目列表
推荐康明斯配件
- 66945安装隔套,用于康明斯NT855-
- S602平垫圈,用于康明斯NTA855-P
- 215921接头,用于康明斯NTA855-
- 3165735供油管,用于康明斯KTA19
- 69324平垫圈,用于康明斯M11-C31
- 3655211机油尺管子,用于康明斯KTA
- 3008017机油冷却器衬垫,用于康明斯N
- 68645阳性连接弯管,用于康明斯KTA1
- S626平垫圈,用于康明斯M11-350柴
- S604弹簧垫圈,用于康明斯KTA38-P
- 68138阳性管接头,用于康明斯M11-C
- 3325107滚针轴承,用于康明斯NTA8
- 3035624带垫螺栓,用于康明斯KTA1
- 200809辅助传动室垫片,用于康明斯NT
- 3165966平垫圈,用于康明斯NTA85
- 3015238温度传感器,用于康明斯NTC
- 3059408节温器,用于康明斯M11-C
- 3010595带垫螺栓,用于康明斯NT85
- S142六角螺栓,用于康明斯NTA855-
- 3010596带垫圈螺栓,用于康明斯KT3
- 3008469管塞,用于康明斯NTA855
- 3040878抱箍,用于康明斯KTA38-
- 3010596带垫圈螺栓,用于康明斯KTA
- 68138阳性管接头,用于康明斯KTA19
- 197221空滤器箍带,用于康明斯KTA1

