基本参数

详细说明
打印本页
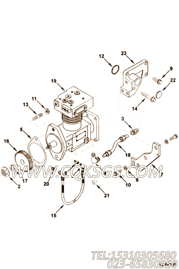
【空气压缩机支撑】康明斯CUMMINS柴油机的3924868 空气压缩机支撑
相关参数和图片:
| 研发时间 | 部分用途 | 产品名称 |
| 93年SEP | ISD4.5 CM2150,B5.9 LPG Plus CM556,G5.9,ISB 5.9 G CM2180,B4.5s,ISF3.8 CM2220 AN,ISB6.7 CM2250,B4.5 RGT,ISB CM800,QSB5.9-44 CM550,B5.9 G,G3.9,ISBe4 CM850,ISD6.7 CM2150,ISD6.7 CM2150 SN,QSB6.7 CM2250,QSB3.9-30 CM550,QSB5.9-30 CM550,B Gas Plus CM556,B6.7s,ISB CM2150,ISD4.5 CM2150 SN,ISB CM850,B LPG Plus CM556,B4.5,B3.9,ISF2.8 CM2220 AN,ISB6.7 CM2150 SN,QSB6.7 CM850,ISBe4 CM2150,G5.9 CM558,ISB6.7 CM2150 SQ,ISB4.5 CM2150 SN,ISB CM550,QSB5.9 CM850,B Gas International CM556,QSB4.5-30 CM550,ISBe CM800,ISBe5 CM2150 SN,QSB4.5 CM850,B5.9,ISBe CM850 | Brace, Air Compressor |
| ||
| 图号 | ID号 | 零件名称 | 一般装配量 | 销售(是/否) | 订购链接 |
| 10 | 3903112 | 六角法兰头螺丝 | 4 | 是 | 订购 |
| CP9114 | 空气压缩机 | 否 | |||
| 1 | 68139 | 阳性适配器弯头 | 1 | 是 | 订购 |
| 2 | 133328 | 正六角螺母 | 1 | 是 | 订购 |
| 3 | 187368 | 平原适配器 | 1 | 是 | 订购 |
| 4 | 204994 | 公连接器 | 1 | 是 | 订购 |
| 5 | 204995 | 阳性适配器弯头 | 1 | 是 | 订购 |
| 6 | 3008400 | 液压泵垫片 | 1 | 是 | 订购 |
| 7 | 3009330 | 平垫圈 | 4 | 是 | 订购 |
| 8 | 3278480 | 六角法兰头螺丝 | 1 | 是 | 订购 |
| 9 | 3900637 | 六角法兰头螺丝 | 3 | 是 | 订购 |
| 11 | 3903210 | 六角法兰螺母 | 2 | 是 | 订购 |
| 12 | 3906696 | O 形密封圈 | 1 | 是 | 订购 |
| 3925835 | Gear & Hub | 1 | 是 | 订购 | |
| 13 | 3925833 | 附件驱动集线器 | 1 | 是 | 订购 |
| 14 | 3910891 | 传动配件齿轮 | 1 | 是 | 订购 |
| 15 | 3913370 | ~B]Vy~ | 2 | 是 | 订购 |
| 16 | 3924867 | 柔性软管 | 1 | 是 | 订购 |
| 17 | 3924868 | 空气压缩机梅开二度 | 1 | 是 | 订购 |
| 18 | 3924869 | 排油连接 | 1 | 是 | 订购 |
| 19 | 3924871 | 滑油漏管 | 1 | 是 | 订购 |
| 20 | 3924877 | 空气压缩机 | 1 | 是 | 订购 |
客服中心
- 15042863601296015135
- 销售热线:023-65830950
- 传真号码:023-65830951
- 业务手机:15310305680
- 电子邮箱:foros@qq.com
栏目列表
推荐康明斯配件
- 3028521皮带,用于康明斯M11-C3
- 68645阳性连接弯管,用于康明斯KT19
- 3010596带垫圈螺栓,用于康明斯NTA
- 3008468管塞,用于康明斯NT855-
- 3010597带垫螺栓,用于康明斯NTA8
- 3008470管塞,用于康明斯NTA855
- 【引擎ISB3.9-160E40A的气缸盖
- 3026556止推片,用于康明斯NTA85
- 3821579机油泵,用于康明斯NTA85
- 3038903摇臂轴堵塞,用于康明斯NT8
- 3008468管塞,用于康明斯NTA855
- S1039A阳性管接头,用于康明斯KT38
- S602平垫圈,用于康明斯KTA19-P4
- 3034572电磁传感器,用于康明斯KT1
- 【发动机C230 33的机油泵组】 康明斯
- 3011715带垫螺栓,用于康明斯NTA8
- 68139阳性弯管接头,用于康明斯NT85
- 3069103燃油泵衬垫,用于康明斯KTA
- 【发动机L340 30的缸盖管路组】 康明
- 207376衬垫,用于康明斯NTA855-
- 3655165吸油接头,用于康明斯NT85
- 【柴油机6BTA5.9-C的起动机组】 康
- S152六角螺栓,用于康明斯NTA855-
- 【柴油机6CTAA8.3-C215的起动机
- 3012472带垫圈螺栓,用于康明斯NTC

