基本参数

详细说明
打印本页
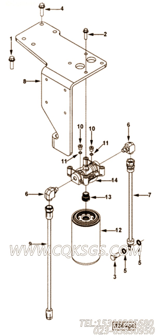
【柔性软管】康明斯CUMMINS柴油机的3970049 柔性软管
相关参数和图片:
| 研发时间 | 部分用途 | 产品名称 |
| 04年AUG | C8.3,ISC CM2150,6L8.9,ISC8.3 CM2250,ISL G CM2180,QSL9 CM2250,QSC8.3 CM554,ISL9 CM2250,QSL9 CM554,6C,QSL9 CM850,C Gas Plus CM556,C8.3G,G8.3,L Gas Plus CM556,ISC CM554,QSC8.3 CM2250,QSL9 G CM558,ISC CM850,ISL CM554,QSC8.3 CM850,ISL CM2150,ISL CM2150 SN,ISL CM850,GTA8.3 CM558 | 柔性软管 |
| 暂缺图片 | ||
| 图号 | ID号 | 零件名称 | 一般装配量 | 销售(是/否) | 订购链接 |
| FF9475 | FILTER,FUEL | 否 | |||
| 3089016 | 六角法兰头螺丝 | 2 | 是 | 订购 | |
| 3902114 | 六角法兰头螺丝 | 4 | 是 | 订购 | |
| 3903035 | 班卓琴接头螺丝 | 2 | 是 | 订购 | |
| 3903464 | 六角法兰头螺丝 | 3 | 是 | 订购 | |
| 3963990 | 密封垫圈 | 4 | 是 | 订购 | |
| 3967147 | 阳性适配器弯头 | 2 | 是 | 订购 | |
| 3970049 | 柔性软管 | 1 | 是 | 订购 | |
| 3974032 | 过滤器支架 | 1 | 是 | 订购 | |
| 3977553 | 柔性软管 | 1 | 是 | 订购 | |
| 4990863 | 燃油过滤器 | 1 | 是 | 订购 | |
| 3678923 | 螺塞 | 2 | 是 | 订购 | |
| 3678924 | 螺塞 | 1 | 是 | 订购 | |
| 3678925 | O 形密封圈 | 1 | 是 | 订购 | |
| 3959612 | 燃油过滤器 | 1 | 是 | 订购 | |
| 3959613 | 滤清器座连接件 | 1 | 是 | 订购 | |
| 4990848 | 燃油过滤器头 | 1 | 是 | 订购 |
客服中心
- 15042863601296015135
- 销售热线:023-65830950
- 传真号码:023-65830951
- 业务手机:15310305680
- 电子邮箱:foros@qq.com
栏目列表
推荐康明斯配件
- 3035776风扇隔套,用于康明斯M11-
- 186780节温器密封圈,用于康明斯NTA
- 【柴油机6CTA8.3-C260-?的节温
- 【发动机6BT5.9-C115的机械转速表
- 3035766小时计,用于康明斯NTA85
- 3013786管塞,用于康明斯NYA855
- S603弹簧垫圈,用于康明斯KTA19-M
- 43828A软管卡箍,用于康明斯NT855
- 3029085调节杆,用于康明斯NT855
- S602平垫圈,用于康明斯NT855-C2
- S1039A阳性管接头,用于康明斯KTA1
- 205976挡圈,用于康明斯KTA38-G
- 3064582从动件轴支架,用于康明斯M1
- 3025322花键接头,用于康明斯M11-
- 【引擎C285 20的温度开关组】 康明斯
- 3821579机油泵,用于康明斯NTA85
- 105199槽销,用于康明斯NTA855-
- 70704垫圈,用于康明斯KTA19-M5
- 【发动机C220 20CNG的点火系统组】
- 3165728燃油管,用于康明斯KTA19
- 【柴油机C280 33的输油泵组】 康明斯
- 206742碗形塞,用于康明斯KTA38-
- 3010596带垫圈螺栓,用于康明斯NT8
- 3070393螺栓,用于康明斯M11R-3
- 【引擎6BT5.9-GM80的暖风安装件组

