基本参数

| 名称 | 【截止阀】康明斯CUMMINS柴油机的4009356 截止阀 |
| 相关机型 | L10 |
| 品质 | OEM/aftermarket |
| ID号 | K68-832-LFA |
| 价格 | 授权可见 点击询价 |
| 主要用途 | 康明斯柴油机用的截止阀[详细说明>>] |
详细说明
打印本页
【截止阀】康明斯CUMMINS柴油机的4009356 截止阀
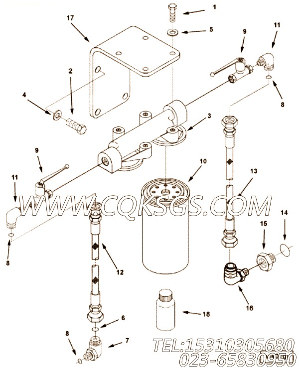
相关参数和图片:
| 研发时间 | 部分用途 | 产品名称 |
| 99年JUL | L10,L10 Gas,L10 CELECT | Valve, Shutoff |
| ||
| 图号 | ID号 | 零件名称 | 一般装配量 | 销售(是/否) | 订购链接 |
| 14 | 3046943 | O 形密封圈 | 1 | 是 | 订购 |
| WF4033-03 | 防腐蚀器 | 否 | |||
| 1 | S 103 D | 六角头螺栓 | 4 | 是 | 订购 |
| 2 | S 145 | 六角头螺栓 | 4 | 是 | 订购 |
| 3 | 204163 | 腐蚀电阻头 | 1 | 是 | 订购 |
| 4 | 3036900 | 平垫圈 | 4 | 是 | 订购 |
| 5 | 3042329 | 平垫圈 | 4 | 是 | 订购 |
| 3081951 | 外螺纹弯头 | 1 | 是 | 订购 | |
| 6 | 3037537 | O 形密封圈 | 1 | 是 | 订购 |
| 7 | 3085821 | 外螺纹弯头 | 1 | 否 | |
| 8 | 3922794 | O 形密封圈 | 1 | 是 | 订购 |
| 9 | 4009356 | 截止阀 | 2 | 是 | 订购 |
| 10 | 3100309 | 腐蚀电阻 | 1 | 是 | 订购 |
| 4009357 | 阳性适配器弯头 | 2 | 是 | 订购 | |
| 11 | 4009358 | 阳性适配器弯头 | 1 | 否 | |
| 8 | 3922794 | O 形密封圈 | 1 | 是 | 订购 |
| 12 | 3331613 | 柔性软管 | 1 | 是 | 订购 |
| 13 | 3331614 | 柔性软管 | 1 | 是 | 订购 |
| 3331615 | 减少适配器 | 1 | 是 | 订购 | |
| 15 | 3331616 | 减少适配器 | 1 | 否 | |
| 16 | 118347 | 外螺纹弯头 | 1 | 是 | 订购 |
| 17 | 3629486 | CRN电阻支架 | 1 | 是 | 订购 |
| 18 | 3888312 | 腐蚀抑制剂 | 3 | 是 | 订购 |
| 3826824 | 贴花 | 2 | 是 | 订购 |
客服中心
- 15042863601296015135
- 销售热线:023-65830950
- 传真号码:023-65830951
- 业务手机:15310305680
- 电子邮箱:foros@qq.com
栏目列表
推荐康明斯配件
- 3008470管塞,用于康明斯ISM-45
- 3037535接头,用于康明斯NTA855
- 154916衬垫,用于康明斯ISM380E
- 3175623抱箍,用于康明斯NT855-
- 3014614曲轴齿轮,用于康明斯NT85
- 103023六角螺栓,用于康明斯KTA19
- S600弹簧垫圈,用于康明斯KTA19-P
- 3015237油压传感器,用于康明斯M11
- 3165922六角螺栓,用于康明斯MTA1
- 【油控制阀】康明斯CUMMINS柴油机的3
- 207244喷油器密封环,用于康明斯KTA
- 206904半圆键,用于康明斯KTA38-
- 3014766带垫螺栓,用于康明斯KTA1
- 3056356报警器导线,用于康明斯M11
- 196282进气管,用于康明斯NT855-
- 3044413带垫螺栓,用于康明斯KTA1
- 3165976弹簧垫圈,用于康明斯NTC-
- 3418532气门从动杆总成,用于康明斯N
- 128006平垫圈,用于康明斯NG4动力仪
- 【凸轮轴齿轮】康明斯CUMMINS柴油机的
- 【圈养的洗衣机第螺丝】康明斯CUMMINS
- 3201125O型密封圈,用于康明斯KTA
- 43828E软管夹箍,用于康明斯NT855
- 【引擎ISL9.5-425E40A的燃油泵
- 3013904带垫螺拴,用于康明斯NTA8

