基本参数

详细说明
打印本页
【识别标记】康明斯CUMMINS柴油机的4924641 识别标记
相关参数和图片:
| 研发时间 | 部分用途 | 产品名称 |
| 06年APR | G19,KTA19GC CM558,QSK19 CM500,QSK19 CM850 MCRS,K19,QSK19G,QSK19 CM2150 MCRS,K19G | Decal |
| ||
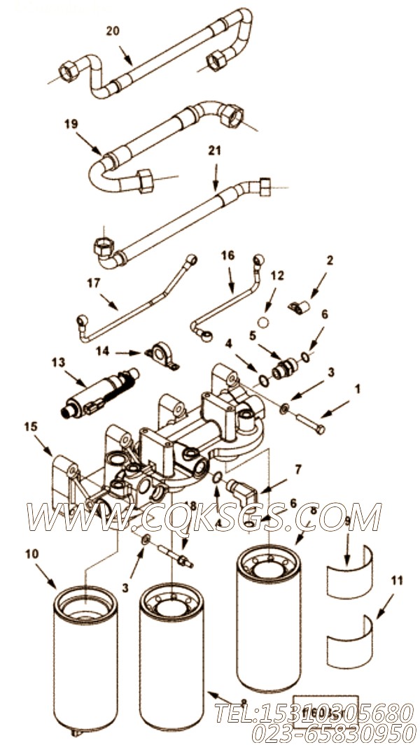
| 图号 | ID号 | 零件名称 | 一般装配量 | 销售(是/否) | 订购链接 |
| FF6097 | 燃油滤清器 | 否 | |||
| 1 | S 104 | 六角头螺栓 | 5 | 是 | 订购 |
| 2 | 68152 | 剪裁 | 1 | 是 | 订购 |
| 3 | 3042329 | 平垫圈 | 6 | 是 | 订购 |
| 3171818 | 外螺纹接头 | 1 | 是 | 订购 | |
| 4 | 3089240 | O 形密封圈 | 1 | 是 | 订购 |
| 5 | 3171819 | 外螺纹接头 | 1 | 是 | 订购 |
| 6 | 3630740 | O 形密封圈 | 1 | 是 | 订购 |
| 3171883 | 外螺纹弯头 | 1 | 是 | 订购 | |
| 4 | 3089240 | O 形密封圈 | 1 | 是 | 订购 |
| 7 | 3171973 | 外螺纹弯头 | 1 | 否 | |
| 6 | 3630740 | O 形密封圈 | 1 | 是 | 订购 |
| 8 | 4924300 | 燃油过滤器 | 2 | 是 | 订购 |
| 9 | 4924301 | 贴花 | 2 | 是 | 订购 |
| 10 | 4924640 | 燃料水分离器 | 1 | 是 | 订购 |
| 11 | 4924641 | 贴花 | 1 | 是 | 订购 |
| 4924700 | 燃油过滤器头 | 1 | 是 | 订购 | |
| 12 | 4917446 | 检查球 | 1 | 是 | 订购 |
| 13 | 4924192 | 燃油输送泵 | 1 | 是 | 订购 |
| 14 | 4924297 | 振动隔离器 | 1 | 是 | 订购 |
| 15 | 4924701 | 燃油过滤器头 | 1 | 是 | 订购 |
| 16 | 4924702 | 燃料输送管 | 1 | 是 | 订购 |
| 17 | 4924703 | 燃料输送管 | 1 | 是 | 订购 |
| 18 | 4924787 | 六角法兰头螺丝 | 1 | 是 | 订购 |
| 19 | 4928092 | 柔性软管 | 1 | 是 | 订购 |
| 20 | 4928093 | 柔性软管 | 2 | 是 | 订购 |
| 21 | 4928094 | 柔性软管 | 1 | 是 | 订购 |
客服中心
- 15042863601296015135
- 销售热线:023-65830950
- 传真号码:023-65830951
- 业务手机:15310305680
- 电子邮箱:foros@qq.com
栏目列表
推荐康明斯配件
- 3015233温度表,用于康明斯KTA38
- S610弹簧垫圈,用于康明斯KTA38-G
- 3028994补水管,用于康明斯NTA85
- 68139阳性弯管接头,用于康明斯NTA8
- 3165999放水开关,用于康明斯KTA1
- 9539A普通软管,用于康明斯KTA19-
- 3013786管塞,用于康明斯KT19-M
- 3202192摇臂室,用于康明斯KTA19
- 3041247平垫圈,用于康明斯M11-C
- 3010596带垫圈螺栓,用于康明斯KTA
- 【软管】康明斯CUMMINS柴油机的325
- 43828D管夹,用于康明斯M11-350
- 107460夹子,用于康明斯M11-C22
- 3031734转速表,用于康明斯KTA19
- 206996多槽皮带,用于康明斯KTA19
- 3016627充电机,用于康明斯NYA85
- 3040721凸轮从动件衬垫,用于康明斯K
- 3032161衬垫,用于康明斯KTA19-
- 203071弯管接头,用于康明斯NTA85
- 3044632空滤器支架,用于康明斯NTA
- 【触发器开关】康明斯CUMMINS柴油机的
- 3062483安装支架,用于康明斯KTA1
- 3004683凸轮轴中间齿轮总成,用于康明
- 3042590机油盘衬垫,用于康明斯KTA
- 3030792直橡胶接管,用于康明斯KTA

