基本参数

| 名称 | 【Device, Aftertreatme】康明斯CUMMINS柴油机的4964968 Device, Aftertreatme |
| 相关机型 | ISM ISM11 QSM11 M11 |
| 品质 | OEM/aftermarket |
| ID号 | LS1-RCC-Z60 |
| 价格 | 授权可见 点击询价 |
| 主要用途 | 康明斯柴油机用的DeviceAftertreatme[详细说明>>] |
详细说明
打印本页
【Device, Aftertreatme】康明斯CUMMINS柴油机的4964968 Device, Aftertreatme
相关参数和图片:
| 研发时间 | 部分用途 | 产品名称 |
| 06年DEC | ISM CM875,ISM CM876,QSM11 CM876,M11,M11 CELECT Plus,ISM CM876 E,M11 CELECT,ISM CM870 and CM570,ISM11 CM876 SN,QSM11 CM570,ISM CM570 | Device, Aftertreatme |
| ||
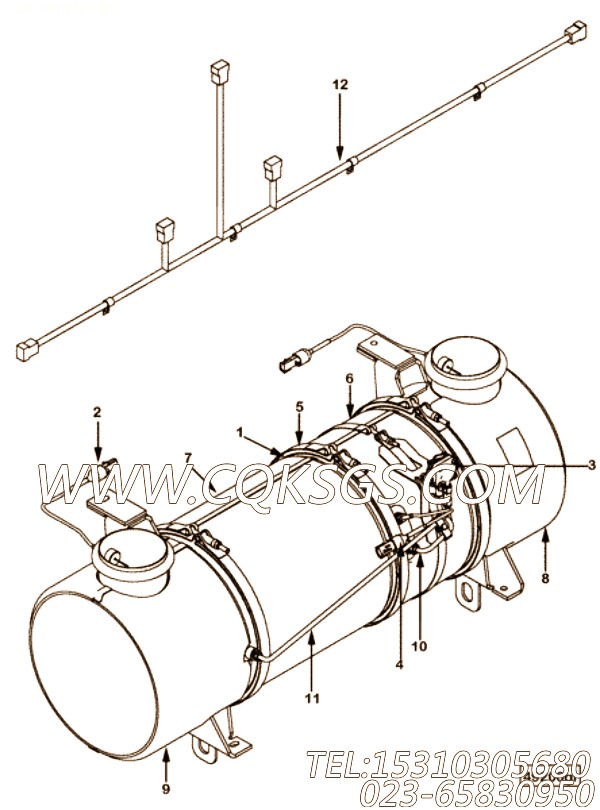
| 图号 | ID号 | 零件名称 | 一般装配量 | 销售(是/否) | 订购链接 |
| 4964968 | Aftertreatme设备 | 1 | 是 | 订购 | |
| 1 | 3684079 | AFM装置垫片 | 3 | 是 | 订购 |
| 2 | 4902912 | 温度传感器 | 2 | 是 | 订购 |
| 3 | 4921730 | 压力传感器 | 1 | 是 | 订购 |
| 4 | 4936622 | 平原软管 | 2 | 是 | 订购 |
| 5 | 4954574 | 温度传感器 | 1 | 是 | 订购 |
| 6 | 4965065 | 软管卡箍 | 4 | 是 | 订购 |
| 7 | 4965075 | T螺栓钳 | 1 | 是 | 订购 |
| 8 | 4965093 | 六角头螺栓 | 3 | 是 | 订购 |
| 9 | 4965094 | 平垫圈 | 2 | 是 | 订购 |
| 10 | 4965098 | V 型带箍 | 3 | 是 | 订购 |
| 11 | 4965223 | 催化剂模块 | 1 | 是 | 订购 |
| 12 | 4965224 | 颗粒过滤器模块 | 1 | 是 | 订购 |
| 13 | 4965249 | Module, Inlet | 1 | 是 | 订购 |
| 14 | 4965250 | 插座模块 | 1 | 是 | 订购 |
| 15 | 4965324 | 管钳 | 1 | 是 | 订购 |
| 16 | 4965325 | 管钳 | 1 | 是 | 订购 |
| 17 | 4965374 | 压力传感管 | 1 | 是 | 订购 |
| 18 | 4965375 | 压力传感管 | 1 | 是 | 订购 |
| 19 | 4969533 | 感应器支架 | 1 | 是 | 订购 |
| 20 | 4969632 | 接线线束 | 1 | 是 | 订购 |
| 21 | 4973362 | Identificati标签 | 1 | 否 |
客服中心
- 15042863601296015135
- 销售热线:023-65830950
- 传真号码:023-65830951
- 业务手机:15310305680
- 电子邮箱:foros@qq.com
栏目列表
推荐康明斯配件
- 3013612节温器壳,用于康明斯NTA8
- 【柴油机6CTA8.3-C230-?的前端
- 【V型棱皮带】康明斯CUMMINS柴油机的
- 3032787O型密封圈,用于康明斯MTA
- S603弹簧垫圈,用于康明斯KTA38-C
- 108722夹箍,用于康明斯KTA38-G
- 128006平垫圈,用于康明斯NT855-
- S602平垫圈,用于康明斯KTTA19-G
- 【柴油机4BTA3.9-C80的起动机组】
- 70897锁紧螺母,用于康明斯M11-C3
- S200螺母,用于康明斯KTA19-C52
- 105199槽销,用于康明斯NTA855-
- S626平垫圈,用于康明斯NTA855-C
- 3032787O型密封圈,用于康明斯M11
- 3177198阳性弯接头,用于康明斯KT3
- 3176710燃油供油管,用于康明斯KTA
- 3013612节温器壳,用于康明斯NT85
- 3201125O型密封圈,用于康明斯KT1
- 3026705输油管,用于康明斯KT38-
- 3165834弯管接头,用于康明斯NT85
- 3026233齿轮挡板,用于康明斯ISM3
- 206177卸压阀衬垫,用于康明斯KTA3
- 3046943O型密封圈,用于康明斯NG4
- 205898O型密封圈,用于康明斯KTA1
- 3046869放油塞,用于康明斯KT19-

