基本参数

详细说明
打印本页
【后处理设备】康明斯CUMMINS柴油机的4965041 后处理设备
相关参数和图片:
| 研发时间 | 部分用途 | 产品名称 |
| 06年DEC | ISM CM875,ISM CM876,QSM11 CM876,M11,M11 CELECT Plus,ISM CM876 E,M11 CELECT,ISM CM870 and CM570,ISM11 CM876 SN,QSM11 CM570,ISM CM570 | Device, Aftertreatment |
| ||
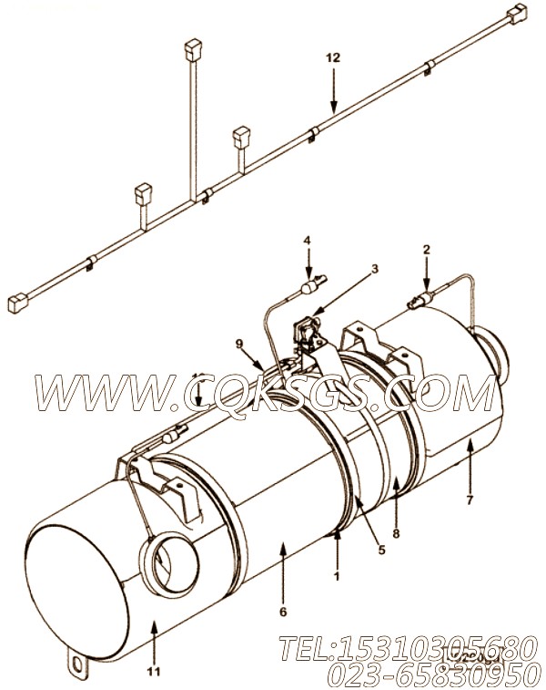
| 图号 | ID号 | 零件名称 | 一般装配量 | 销售(是/否) | 订购链接 |
| 3 | 4921730 | 压力传感器 | 1 | 是 | 订购 |
| 4965041 | 后处理设备 | 1 | 是 | 订购 | |
| 1 | 3684079 | AFM装置垫片 | 3 | 是 | 订购 |
| 2 | 4902912 | 温度传感器 | 2 | 是 | 订购 |
| 4 | 4954574 | 温度传感器 | 1 | 是 | 订购 |
| 5 | 4965098 | V 型带箍 | 3 | 是 | 订购 |
| 6 | 4965224 | 颗粒过滤器模块 | 1 | 是 | 订购 |
| 7 | 4965319 | Module, Inlet | 1 | 是 | 订购 |
| 8 | 4965321 | 催化剂模块 | 1 | 是 | 订购 |
| 9 | 4969559 | 压力传感管 | 1 | 是 | 订购 |
| 10 | 4969560 | 压力传感管 | 1 | 是 | 订购 |
| 11 | 4969582 | 插座模块 | 1 | 是 | 订购 |
| 12 | 4969632 | 接线线束 | 1 | 是 | 订购 |
| 4936622 | 平原软管 | 2 | 是 | 订购 | |
| 4965065 | 软管卡箍 | 4 | 是 | 订购 |
客服中心
- 15042863601296015135
- 销售热线:023-65830950
- 传真号码:023-65830951
- 业务手机:15310305680
- 电子邮箱:foros@qq.com
栏目列表
推荐康明斯配件
- 140332软管抱箍,用于康明斯NTA85
- S112螺栓,用于康明斯ISM320V主机
- 3315843燃油滤清器,用于康明斯NTA
- 3040838带垫螺栓,用于康明斯KTA1
- 【引擎6LTAA8.9-C300的节温器组
- S169六角螺栓,用于康明斯KTA38-G
- 3008470管塞,用于康明斯NTA855
- 170226起吊支架,用于康明斯NT855
- 69901管塞,用于康明斯NTA855-C
- 157551法兰衬垫,用于康明斯NT855
- S600弹簧垫圈,用于康明斯NT855-C
- 3010595带垫螺栓,用于康明斯KT19
- 203518平垫圈,用于康明斯M11-C2
- S103D六角螺栓,用于康明斯KT38-M
- 125741抱箍,用于康明斯M11-C35
- 【Bushing】康明斯CUMMINS柴油
- 137890六角螺栓,用于康明斯NT855
- 208128节温器壳垫片,用于康明斯NTA
- 3655924防护盖,用于康明斯KTA19
- 178079单向阀,用于康明斯NTA855
- 3889311机油滤清器29,用于康明斯K
- 3655924防护盖,用于康明斯NTA85
- 3166108柴油机使用及保养手册,用于康
- 172640十二角螺栓,用于康明斯KTA1
- 67185软管,用于康明斯NTA855-C

