基本参数

详细说明
打印本页
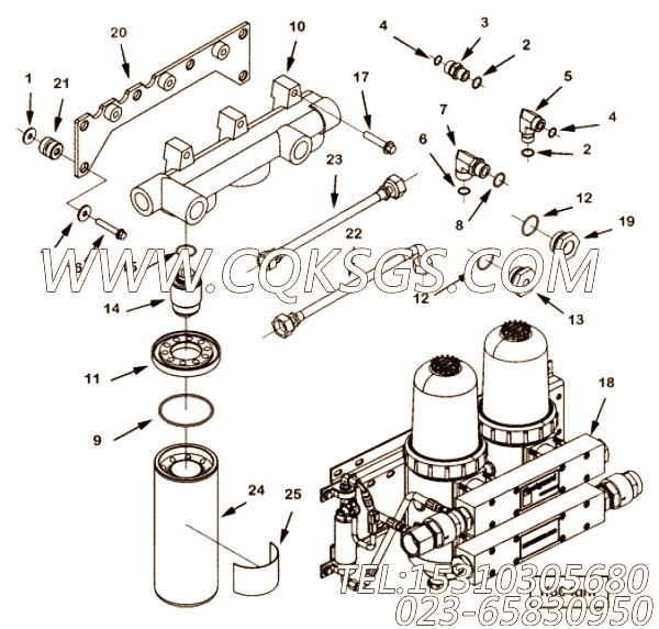
【滤清器座连接件】康明斯CUMMINS柴油机的4969130 滤清器座连接件
相关参数和图片:
| 研发时间 | 部分用途 | 产品名称 |
| 07年MAY | G19,KTA19GC CM558,QSK19 CM500,QSK19 CM850 MCRS,K19,QSK19G,QSK19 CM2150 MCRS,K19G | 滤清器座连接件 |
| ||
| 图号 | ID号 | 零件名称 | 一般装配量 | 销售(是/否) | 订购链接 |
| 4964129 | 减少适配器 | 2 | 是 | 订购 | |
| FF6116 | 燃油滤清器 | 否 | |||
| 1 | 170664 | 平垫圈 | 12 | 是 | 订购 |
| 3171818 | 外螺纹接头 | 1 | 是 | 订购 | |
| 2 | 3089240 | O 形密封圈 | 1 | 是 | 订购 |
| 3 | 3171819 | 外螺纹接头 | 1 | 是 | 订购 |
| 4 | 3630740 | O 形密封圈 | 1 | 是 | 订购 |
| 3171883 | 外螺纹弯头 | 1 | 是 | 订购 | |
| 2 | 3089240 | O 形密封圈 | 1 | 是 | 订购 |
| 5 | 3171973 | 外螺纹弯头 | 1 | 否 | |
| 4 | 3630740 | O 形密封圈 | 1 | 是 | 订购 |
| 3331818 | 外螺纹弯头 | 2 | 是 | 订购 | |
| 6 | 3085709 | O 形密封圈 | 1 | 是 | 订购 |
| 7 | 3331819 | 外螺纹弯头 | 1 | 是 | 订购 |
| 8 | 3678606 | O 形密封圈 | 1 | 是 | 订购 |
| 3640313 | 燃油过滤器头 | 1 | 是 | 订购 | |
| 9 | 3899283 | O 形密封圈 | 3 | 是 | 订购 |
| 10 | 4916702 | 燃油过滤器头 | 1 | 是 | 订购 |
| 11 | 4964120 | 滤清器座连接件 | 3 | 是 | 订购 |
| 4964131 | 减少适配器 | 2 | 是 | 订购 | |
| 12 | 3089019 | O 形密封圈 | 1 | 是 | 订购 |
| 13 | 4964130 | 减少适配器 | 1 | 是 | 订购 |
| 14 | 4969130 | 滤清器座连接件 | 3 | 是 | 订购 |
| 15 | 4975427 | O 形密封圈 | 3 | 是 | 订购 |
| 16 | 3900635 | 六角法兰头螺丝 | 6 | 是 | 订购 |
| 17 | 3905372 | 六角法兰头螺丝 | 3 | 是 | 订购 |
| 18 | 4964098 | 燃油过滤器 | 1 | 是 | 订购 |
| 12 | 3089019 | O 形密封圈 | 1 | 是 | 订购 |
| 19 | 4964128 | 减少适配器 | 1 | 是 | 订购 |
| 20 | 4964141 | 过滤器支架 | 1 | 是 | 订购 |
| 21 | 4964142 | 振动隔离器 | 6 | 是 | 订购 |
| 22 | 4964156 | 柔性软管 | 1 | 是 | 订购 |
| 23 | 4964157 | 柔性软管 | 1 | 是 | 订购 |
| 24 | 4964234 | 燃油过滤器 | 3 | 是 | 订购 |
| 25 | 4969141 | 贴花 | 3 | 是 | 订购 |
客服中心
- 15042863601296015135
- 销售热线:023-65830950
- 传真号码:023-65830951
- 业务手机:15310305680
- 电子邮箱:foros@qq.com
栏目列表
推荐康明斯配件
- 142176锁紧螺母,用于康明斯NTA85
- 3026556止推片,用于康明斯KTA38
- 142176锁紧螺母,用于康明斯NTA85
- 206576增压器衬垫,用于康明斯KTA1
- 205492推杆,用于康明斯KTA19-C
- 3000446油门盖板,用于康明斯KTA1
- 3035624带垫螺栓,用于康明斯KTA1
- 3040838带垫螺栓,用于康明斯KTA1
- 3010388摇臂室盖,用于康明斯KTA1
- S112螺栓,用于康明斯KTA38-C10
- 3016791油封,用于康明斯KTA19-
- 3010933节温器壳,用于康明斯KTA1
- 3013904带垫螺拴,用于康明斯KTA1
- 3014766带垫螺栓,用于康明斯KTA1
- 【Screw, Banjo Connect
- 【引擎6CT8.3-G的排气管密封垫】 康
- 3026312垫片,用于康明斯KTA38-
- 【外螺纹弯头】康明斯CUMMINS柴油机的
- 43828A软管卡箍,用于康明斯NTA85
- 3056344油压报警开关,用于康明斯NT
- 3019574带垫螺栓,用于康明斯NTA8
- 3025458管塞,用于康明斯MTA11-
- S145六角螺栓,用于康明斯KTTA19-
- 130394旁通水连管,用于康明斯NTC-
- 3001301密封环,用于康明斯KTA19

