基本参数

| 名称 | 【燃油输送泵】康明斯CUMMINS柴油机的4975518 燃油输送泵 |
| 相关机型 | QST30 |
| 品质 | OEM/aftermarket |
| ID号 | 967-251-HE9 |
| 价格 | 授权可见 点击询价 |
| 主要用途 | 康明斯柴油机用的燃油输送泵[详细说明>>] |
详细说明
打印本页
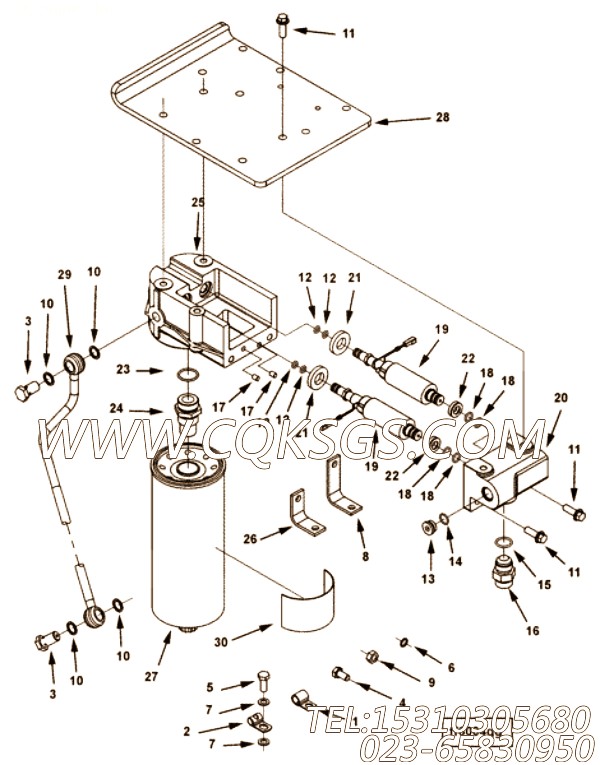
【燃油输送泵】康明斯CUMMINS柴油机的4975518 燃油输送泵
相关参数和图片:
| 研发时间 | 部分用途 | 产品名称 |
| 10年APR | QST30 CM850,QST30 CM552 | Pump, Fuel Transfer |
| ||
| 图号 | ID号 | 零件名称 | 一般装配量 | 销售(是/否) | 订购链接 |
| FF5080-03 | FILTER,FUEL | 否 | |||
| 1 | 68152 | 剪裁 | 1 | 是 | 订购 |
| 2 | 3092059 | 剪裁 | 1 | 是 | 订购 |
| 3 | 3093598 | 班卓琴接头螺丝 | 2 | 是 | 订购 |
| 4 | 3925344 | 六角法兰头螺丝 | 2 | 是 | 订购 |
| 5 | 3093743 | 六角头螺栓 | 1 | 是 | 订购 |
| 6 | 3093799 | 平垫圈 | 2 | 是 | 订购 |
| 7 | 3094024 | 平垫圈 | 3 | 是 | 订购 |
| 8 | 3094824 | 管梅开二度 | 1 | 是 | 订购 |
| 9 | 3094937 | 正六角螺母 | 2 | 是 | 订购 |
| 10 | 4975530 | 密封垫圈 | 4 | 是 | 订购 |
| 11 | 3925344 | 六角法兰头螺丝 | 13 | 是 | 订购 |
| 4975410 | Head, Fuel Filter (tla) | 1 | 是 | 订购 | |
| 12 | 4954442 | O 形密封圈 | 4 | 是 | 订购 |
| 3046202 | 螺塞 | 1 | 是 | 订购 | |
| 13 | 3040810 | 螺塞 | 1 | 否 | |
| 14 | 3046201 | O 形密封圈 | 1 | 是 | 订购 |
| 3059278 | 外螺纹接头 | 1 | 是 | 订购 | |
| 15 | 3046943 | O 形密封圈 | 1 | 是 | 订购 |
| 16 | 3100531 | 外螺纹接头 | 1 | 否 | |
| 17 | 3093784 | 接脚木钉 | 2 | 是 | 订购 |
| 18 | 3916284 | O 形密封圈 | 4 | 是 | 订购 |
| 19 | 4975518 | 燃油输送泵 | 2 | 是 | 订购 |
| 20 | 4067844 | 燃油泵头 | 1 | 是 | 订购 |
| 21 | 4067902 | 振动隔离器 | 2 | 是 | 订购 |
| 22 | 4067903 | 振动隔离器 | 2 | 是 | 订购 |
| 4068105 | 滤清器座连接件 | 1 | 是 | 订购 | |
| 23 | 3201585 | O 形密封圈 | 1 | 是 | 订购 |
| 24 | 4068104 | 滤清器座连接件 | 1 | 否 | |
| 25 | 4068583 | 燃油过滤器头 | 1 | 是 | 订购 |
| 26 | 4068682 | 接线固定器支架 | 1 | 是 | 订购 |
| 27 | 4095189 | 燃料水分离器 | 1 | 否 | |
| 28 | 4295451 | 过滤器支架 | 1 | 是 | 订购 |
| 29 | 4295540 | 燃料供应管 | 1 | 是 | 订购 |
| 30 | 2877586 | 贴花 | 1 | 否 |
客服中心
- 15042863601296015135
- 销售热线:023-65830950
- 传真号码:023-65830951
- 业务手机:15310305680
- 电子邮箱:foros@qq.com
栏目列表
推荐康明斯配件
- 3008466管塞,用于康明斯NTA855
- 185804六角螺栓,用于康明斯KT38-
- 193136平垫圈,用于康明斯NTC-29
- 3165733供油管,用于康明斯KTA19
- 3012473带垫螺栓,用于康明斯NTC-
- 144372凸式弯管接头,用于康明斯KTA
- S608弹簧垫圈,用于康明斯NTA855-
- 3014304矩形密封圈,用于康明斯KTA
- 3018924接地线,用于康明斯NTA85
- 3033822带垫圈螺栓,用于康明斯NT8
- 3001280挡圈,用于康明斯NTA855
- 145600O型密封圈,用于康明斯KTA3
- 3893692支架衬垫,用于康明斯M11-
- 3418944弯管接头,用于康明斯NTA8
- 3047440空压机,用于康明斯M11-C
- S1039A阳性管接头,用于康明斯KTA1
- 3889310机油滤清器29,用于康明斯N
- 127362平垫圈,用于康明斯KTA19-
- 【后冷体】康明斯CUMMINS柴油机的30
- 3010596带垫圈螺栓,用于康明斯NT8
- 102584弯接头,用于康明斯NTA855
- 3895734抱箍,用于康明斯M11R-3
- S602平垫圈,用于康明斯KTA19-C5
- S605弹簧垫圈,用于康明斯NTA855-
- 3044901带垫螺栓,用于康明斯NT85

